EasyManua.ls Logo

Danfoss VLT HVAC Drive FC 102 - Parameters: 26-** Analog I;O Option MCB 109

Danfoss VLT HVAC Drive FC 102
250 pages
Print Icon
To Next Page IconTo Next Page
To Next Page IconTo Next Page
To Previous Page IconTo Previous Page
To Previous Page IconTo Previous Page
Loading...
3.24 Parameters: 26-** Analog I/O Option MCB 109
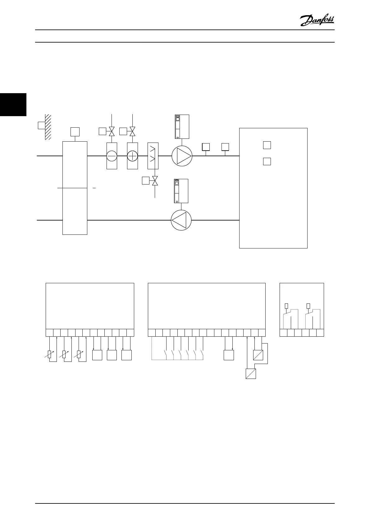
The analog I/O option MCB 109 extends the functionality of VLT
®
HVAC Drive frequency converters, by adding a number of
additional, programmable analog inputs and outputs. This could be especially useful in building management system instal-
lations where the frequency converter may be used as de-central I/O, obviating the need for an outstation and thus
reducing cost.
130BA382.10
M
M
M
P T
T
T
H
Illustration 3.82 Analog I/O Option MCB 109
Analog I/O Carsd Control Card Power card
Room temperature
Supply temperature
Outdoor temperature
Heating Coil
Cooling coil
Dampers or
Heat recover Wheel
Humidier
Duct Pressure
Humidity sensor
Humidier steps
or
Cooling steps
RELAY1
RELAY2
1 2 3 10 11 124 5 6 7 8 9 12 13 18 19 27 29 32 33 20 37 39 42 50 53 54 55 01 02 03 04 05 06
130BA381.10
X42
AIN
AIN
AIN
AOUT
AOUT
AOUT
24VDC
24VDC
DIN
DIN
DIN/DOUT
DIN/DOUT
DIN
DIN
AOUT
AIN
AIN
Illustration 3.83 Analog I/O Option MCB 109
Illustration 3.82 a typical air handling unit (AHU). As can be seen, the addition of the analog I/O option oers the possibility
to control all of the functions from the frequency converter, such as inlet-, return- and exhaust dampers, or heating/cooling
coils with temperature and pressure measurements being read by the frequency converter.
Parameter Descriptions
VLT
®
HVAC Drive FC 102
200 Danfoss A/S © 03/2015 All rights reserved. MG11CE02
33

Table of Contents

Other manuals for Danfoss VLT HVAC Drive FC 102

Related product manuals