EasyManua.ls Logo

Danfoss VLT HVAC Drive FC 102 - Page 15

Danfoss VLT HVAC Drive FC 102
140 pages
Print Icon
To Next Page IconTo Next Page
To Next Page IconTo Next Page
To Previous Page IconTo Previous Page
To Previous Page IconTo Previous Page
Loading...
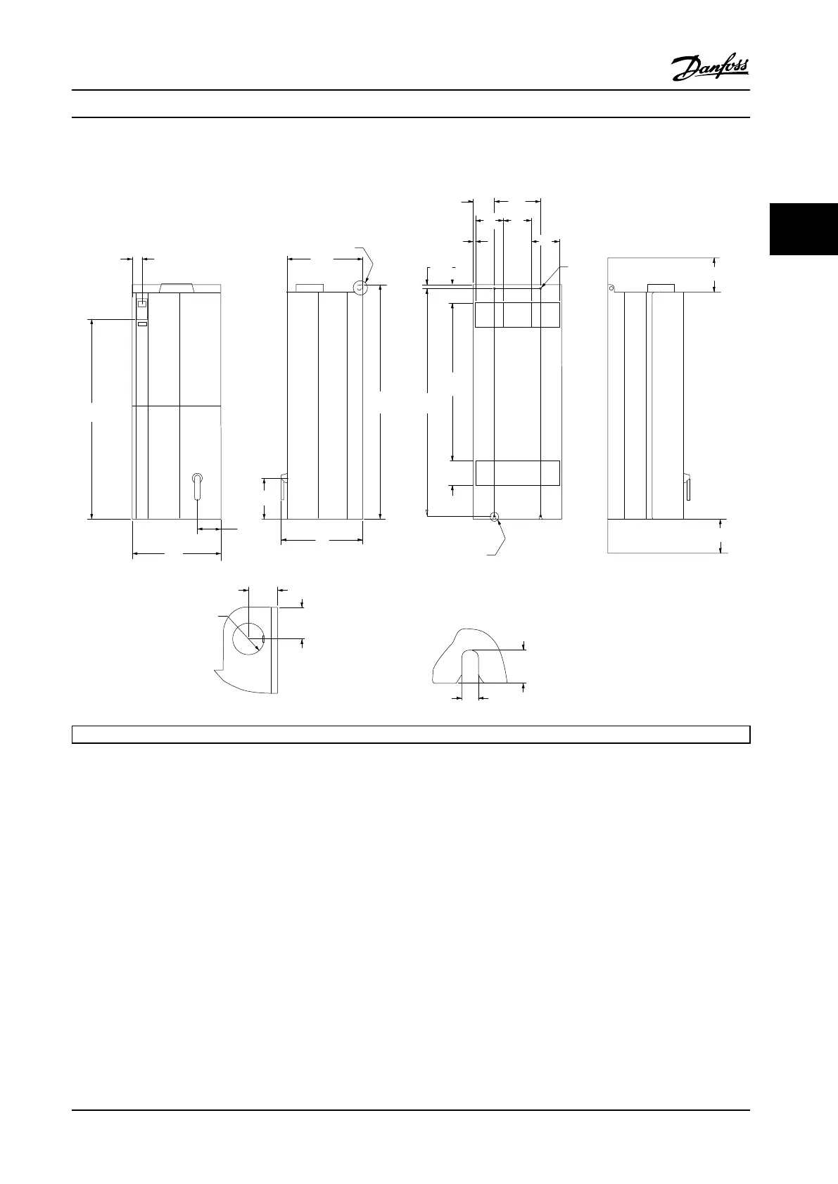
130BA445.10
225
64
1320
585
269
156
23
25
498
539
1547
1502
160
1043
14
184
184
184
139
304
2X13
(2.5)
(23.0)
(52.0)
(6.2)
(19.5)
(10.6)
(21.2)
(60.9)
(5.5)
(12.0)
(7.3) (7.3)
(0.5)
(1.5)
120
(4.7)
25
(1.0)
(59.1)
(41.1)
(6.3)
(8.9)
225
(8.9)
(1.0)
25
(1.0)
(0.9)
27
(1.0)
13
(0.5)
E2
D
E
D
E
IP00 / CHASSIS
* Note airow directions
Figure 3.11 Dimensions, E2
Mechanical Installation Instruction Manual
MG11F522 Danfoss A/S © 08/2014 All rights reserved. 13
3 3

Table of Contents

Other manuals for Danfoss VLT HVAC Drive FC 102

Related product manuals