EasyManua.ls Logo

Dantherm DV 20 - Page 20

Dantherm DV 20
25 pages
Print Icon
To Next Page IconTo Next Page
To Next Page IconTo Next Page
To Previous Page IconTo Previous Page
To Previous Page IconTo Previous Page
Loading...
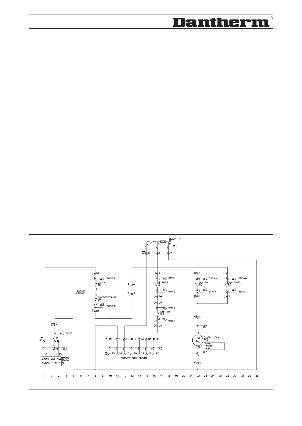
6. Schaltplan / Schemas electriques / Wiring diagram - DV 20/30 -
B1 OT Thermostat 100°C / Thermostat de sécurité 100°C / OT thermostat 100°C
B2 Ventilatorthermostat / Thermostat du ventilateur (FAN) / Fan thermostat (FAN)
B3 Limitthermostat 80°C / Themostat de sécurité 80°C / Limit thermostat 80°C
M2 Ventilatormotor / Moteur du ventilateur / Fan motor
RT Raumthermostat / Thermostat d’ambiance / Room thermostat
S1 Schalter Brenner / Intérrupteur brûleur (on/off) / Burner switch (ON/OFF)
S2 Schalter Ventilator / Intérrupteur ventilateur Auto/Man / Fan switch AUTO/MAN
Wieland Stecker / Fiche Wieland / Wieland plug
L Phasen Anschluss / Raccordement phase / Live
N Nulleiter Anschluss / Neutre / Neutral
T1 Sicherheitskreislauf / Circuit de sécurité / Safety circuit
T2 Sicherheitskreislauf / Circuit de sécurité / Safety circuit
S3 Kontrollampenausgang für Fehler / Borne pour voyant lumineux d’alarme / Control light terminal, failure
B4 Ausgang für Betriebsstundenzähler / Borne pour compteur horaire / Hour meter terminal
18

Related product manuals