EasyManua.ls Logo

DanVex DEH-600wp - Electric Circuit Diagrams for Dehumidifier Models; DEH-600 wp, DEH-1000 wp Schematics

DanVex DEH-600wp
22 pages
Print Icon
To Next Page IconTo Next Page
To Next Page IconTo Next Page
To Previous Page IconTo Previous Page
To Previous Page IconTo Previous Page
Loading...
R
www.danvex.fi
10
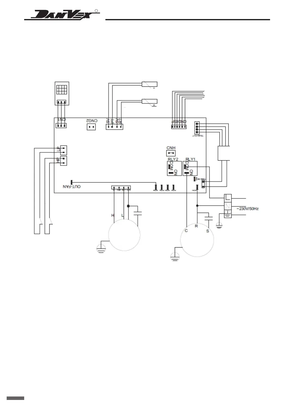
DEH-600wp, DEH-1000wp
Single phase (1PH/5o Hz)
ELECTRIC CIRCUIT DIAGRAMS
Humidity sensor
Internal temperature sensor
External temperature sensor
To display PCB
Transformer
Main controller PCB
Fan
motor
Compressor
Power supply
High pressure protection
Low pressure protection

Other manuals for DanVex DEH-600wp

Related product manuals