EasyManua.ls Logo

DanVex DEH-600wp - DEH-1700 wp, DEH-2000 wp Schematics

DanVex DEH-600wp
22 pages
Print Icon
To Next Page IconTo Next Page
To Next Page IconTo Next Page
To Previous Page IconTo Previous Page
To Previous Page IconTo Previous Page
Loading...
R
www.danvex.fi
11
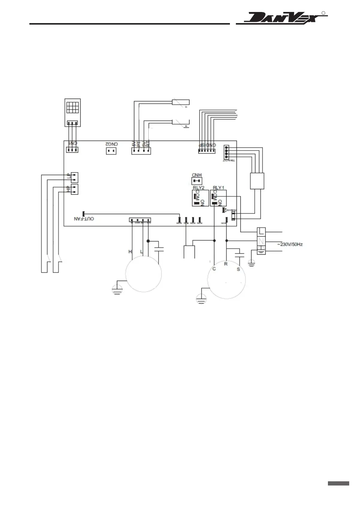
DEH-1700wp, DEH-2000wp
Single phase (1PH/50 Hz)
ELECTRIC CIRCUIT DIAGRAMS
Humidity sensor
Internal temperature
sensor
External temperature
sensor
To display PCB
Transformer
Main controller PCB
Fan
motor
Compressor
Power supply
High pressure protection
Low pressure protection
Pressure control
valve

Other manuals for DanVex DEH-600wp

Related product manuals