EasyManua.ls Logo

Data Aire DAL-06 - Remote Shutdown; Mini-Dap4 Controller; Remote Alarm Contacts; Figure 7 Typical Remote Heat Exchanger Interconnection Points

Data Aire DAL-06
83 pages
Print Icon
To Next Page IconTo Next Page
To Next Page IconTo Next Page
To Previous Page IconTo Previous Page
To Previous Page IconTo Previous Page
Loading...
40
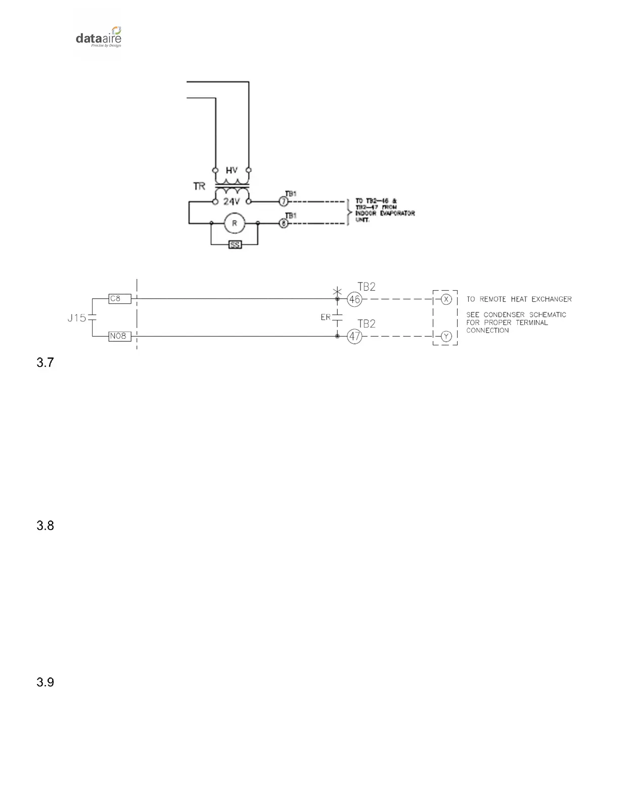
Figure 7 Typical Remote Heat Exchanger Interconnection Points
Figure 8 Typical Indoor Evaporator Interconnection Points
Remote Shutdown
Every gForce unit has remote shutdown contacts. These are intended for a field supplied dry contact
or switch to be wired across two terminals. When the contactor or switch opens, the control circuit
power is interrupted and the unit shuts down, including the control panel. The control circuit is 24 VAC
and the field provided contact or switch should have a minimum rating of 10 amps. A minimum of 18
AWG wire is recommended or use field supplied Class 1 wiring.
The remote shutdown contacts are always terminals 1 and 2 on the terminal block designated TB3.
The unit will ship with factory wired metal jumper clip that connects terminal 1 to terminal 2. Remove
the jumper clip prior to installing the field wires.
Mini-dap4 Controller
The Data Aire Computer Room Air Conditioner (CRAC) or Computer Room Air Handler (CRAH) is
furnished with a microprocessor based Mini-dap4 controller. The controller includes unit control
functions and display normal functions and service diagnostics with six keys (buttons) for easy
programming. The controller allows recall and display of the high and low temperature, high and low
humidity, current percent of capacity and average percent of capacity for chilled water valve,
compressor, reheat, humidification, dehumidification, component runtimes for fan motor(s), reheat,
humidification, and dehumidification (if applicable). See the separate Mini-dap4 User Manual for
detailed parameter settings and operating instructions.
Remote Alarm Contacts
The Mini-dap4 microprocessor control panel provides one (1) remote alarm output contacts that can be
field accessed. The contacts include a Normally Open (NO) or Normally Closed (NC) on Alarm, dry
contact, intended to be used in a control circuit not exceeding 5 amps at 24 VAC. Use field supplied

Table of Contents

Related product manuals