EasyManua.ls Logo

Datalogic Gryphon GFE4400 - Page 13

Datalogic Gryphon GFE4400
36 pages
To Next Page IconTo Next Page
To Next Page IconTo Next Page
To Previous Page IconTo Previous Page
To Previous Page IconTo Previous Page
Loading...
Mounting the Scanner
Integration Guide 9
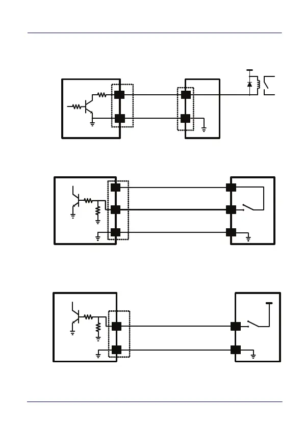
Figure 5. Connections
c
OUT
10
12
GND
USER INTERFACEGFE44X0
Vext 14Vdc max
Output Connection
HRS
VCC
5
12
GND
GFE44X0
11
TRIGGER
EXT TRIGGER
Input Trigger Using
GFE44X0 Power
HRS
5
12
GND
GFE44X0
TRIGGER
EXT TRIGGER
Vext
5Vdc
max
Input Trigger Using
External Power
HRS

Related product manuals