EasyManua.ls Logo

DaytonAudio DTA-2 - LED and Wire Assembly; Mounting and Connecting LED; Ferrite Core and Speaker Wire; Output Capacitor Connection

DaytonAudio DTA-2
4 pages
Print Icon
To Next Page IconTo Next Page
To Next Page IconTo Next Page
To Previous Page IconTo Previous Page
To Previous Page IconTo Previous Page
Loading...
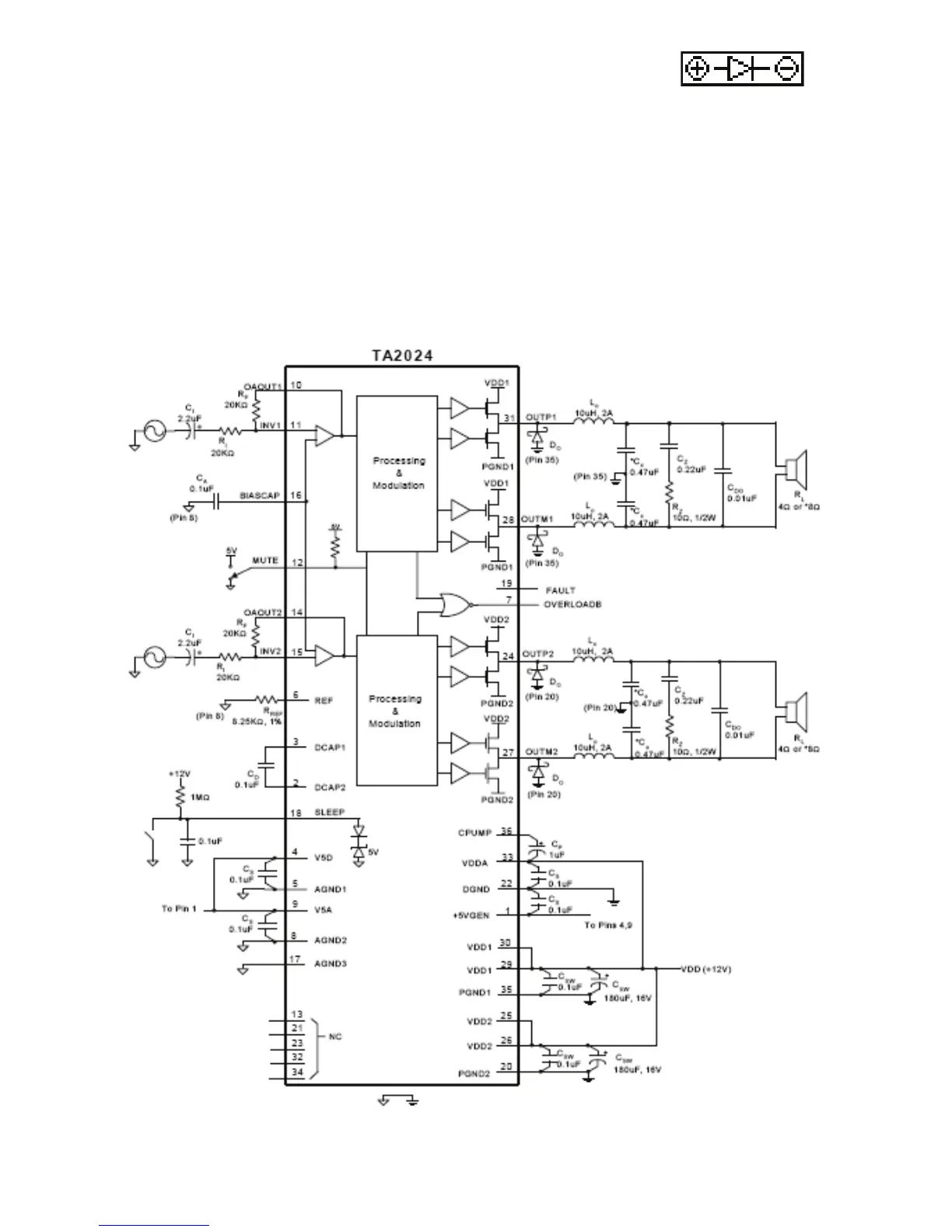
The schematic diagram above is provided for reference. It illustrates the TA-2024 IC and the input
and output circuits on the PCB. CDO are two output capacitors. These capacitors are ideally
placed close to the speaker terminals or crossover input terminals as appropriate.
Solder the LED to the PCB at point “D” or use the LED wires to place the
LED where desired
The anode (+) lead is long, the cathode (-) is short
Mount the LED from the bottom of the PCB
Insert the anode through the left eyelet and the cathode through the right eyelet
Wrap each speaker wire through a ferrite core; one wrap per core is all that is required
Solder the speaker wires to the speaker terminals
Solder an output capacitor across the speaker terminals in parallel with the speaker wires
Connect power via the power leads or DC power jack; we recommend a 12VDC, 2000mA power
supply similar to Parts Express model 120-052
Mount the volume control in the desired location and connect to the amplifier PCB using the 12"
ribbon cable
Mount the PCB using adhesive pads or with a zip tie
Schematic Diagram:

Related product manuals