EasyManua.ls Logo

Dazon Raider Max 175S - 5 Wiring Diagram

Dazon Raider Max 175S
43 pages
Print Icon
To Previous Page IconTo Previous Page
To Previous Page IconTo Previous Page
Loading...
Raider Max 175 (single-seat, double-seat): Service Manual EEC Version:2.0 April 2005
43
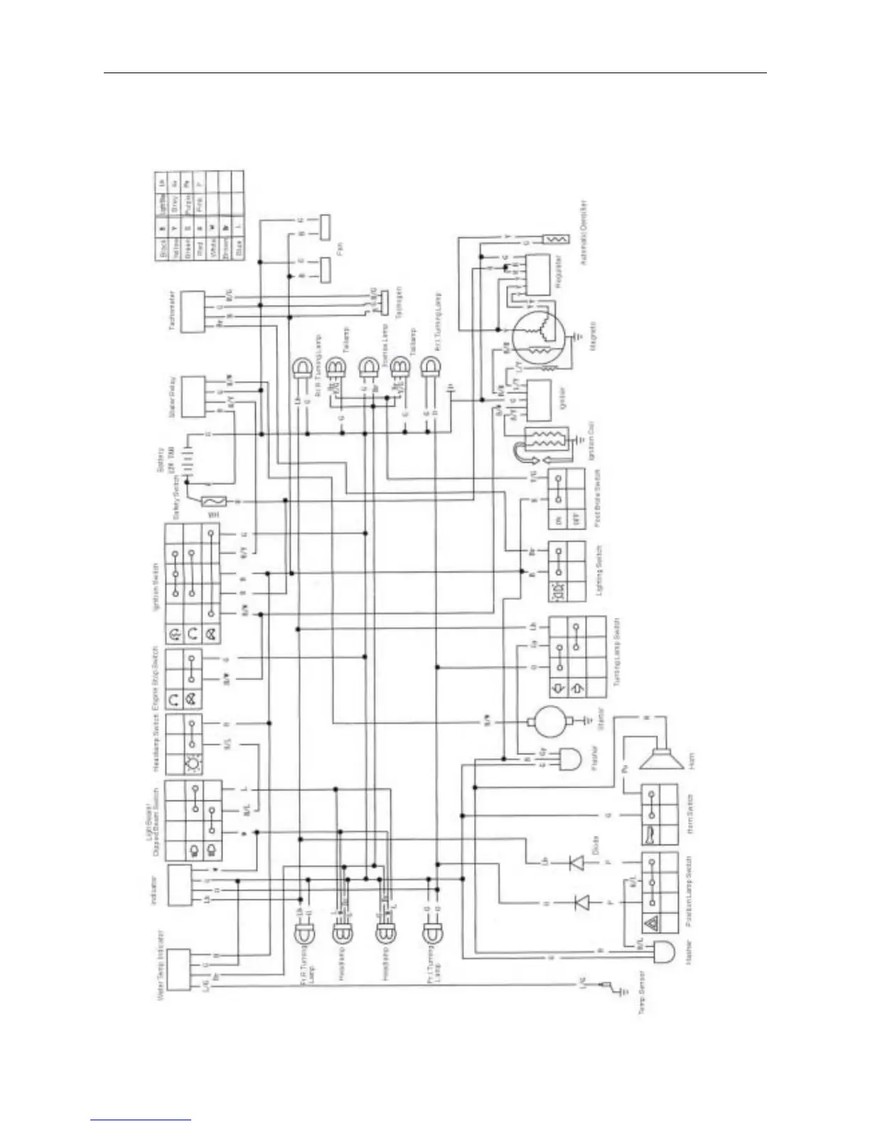
5. Wiring Diagram

Related product manuals