EasyManua.ls Logo

dbx 165 - Block Diagram

dbx 165
17 pages
Print Icon
To Next Page IconTo Next Page
To Next Page IconTo Next Page
To Previous Page IconTo Previous Page
To Previous Page IconTo Previous Page
Loading...
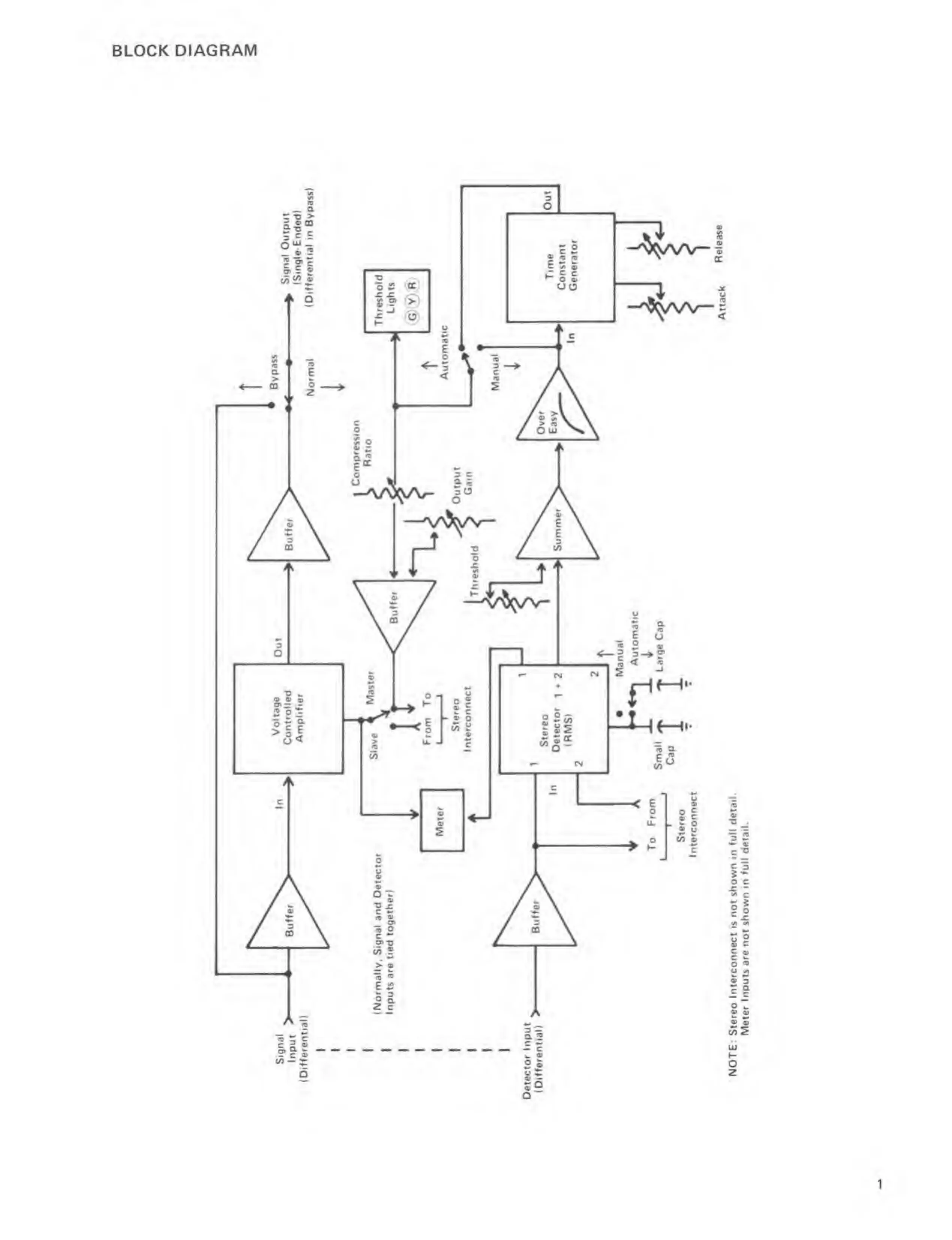
BLOCK DIAGRAM
1
NOTE:
Stereo
lntercor>nect
is
not
shown
in
full
deUM,
Meter
Inputs
ere
not
shown
in
full
deteil.

Related product manuals