EasyManua.ls Logo

DCS CTD-304 - Page 34

DCS CTD-304
40 pages
Print Icon
To Next Page IconTo Next Page
To Next Page IconTo Next Page
To Previous Page IconTo Previous Page
To Previous Page IconTo Previous Page
Loading...
13
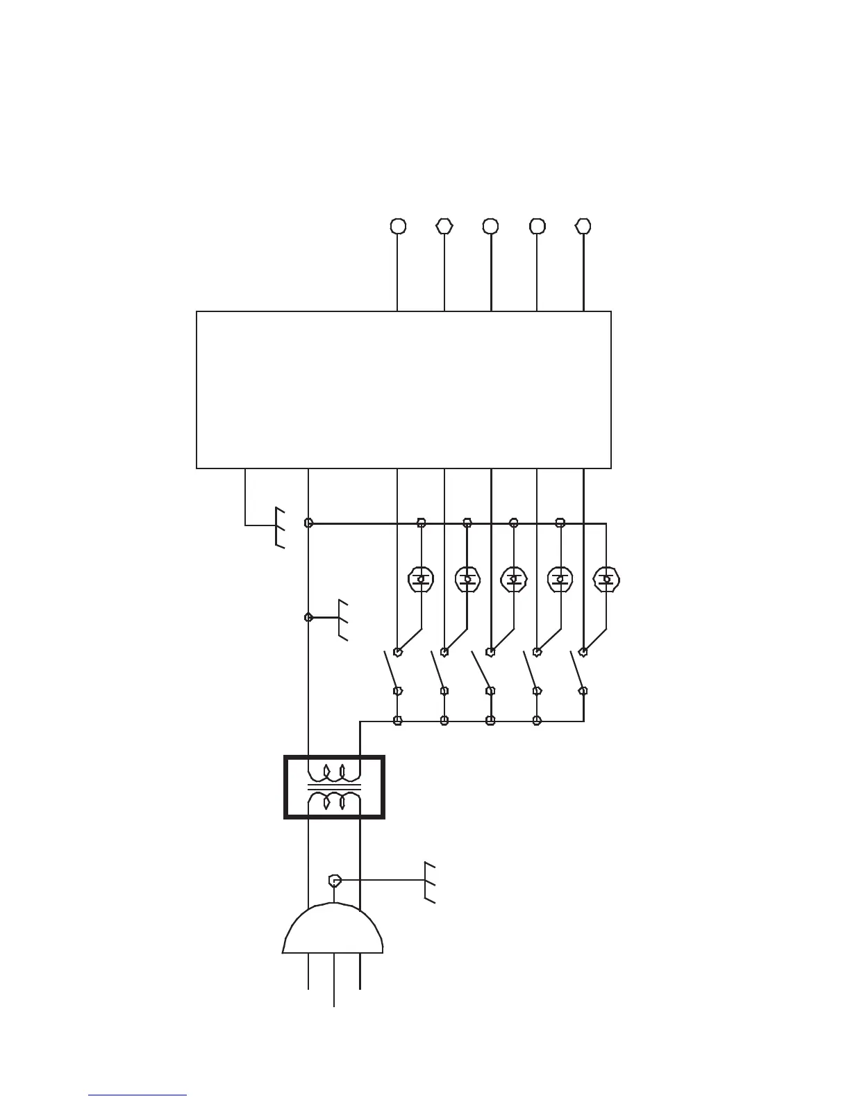
SCHÉMA DE CÂBLAGE – CTD-365
CORDON
D'ALIMENTATION
120 V C.A. ENTRÉE
TRANSFORMATEUR
120/230V
120V 230V
INTERRUPTEURS
DE ROBINET
VOYANTS
G. AV
G. AR
C
D. AR.
D. AV
INT5
INT4
INT3
INT2
INT1
5
4
3
2
1
C
G. AR
G. AV
D. AR.
D. AV
ÉLECTRODES
MODULE DE
RALLUMAGE DU
GAZ EN 5 POINTS
G
N

Related product manuals