EasyManua.ls Logo

DCS CTD-304 - Page 35

DCS CTD-304
40 pages
Print Icon
To Next Page IconTo Next Page
To Next Page IconTo Next Page
To Previous Page IconTo Previous Page
To Previous Page IconTo Previous Page
Loading...
14
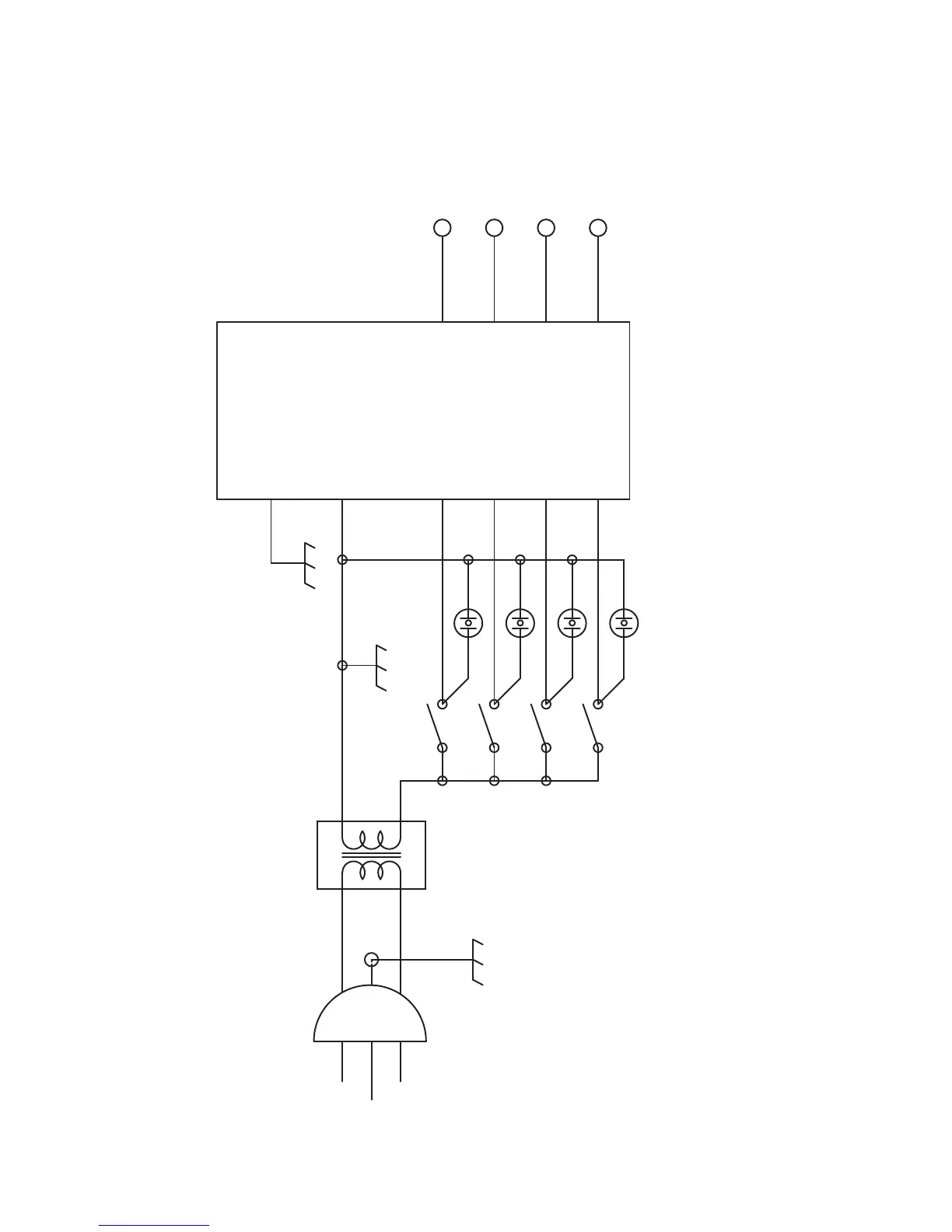
SCHÉMA DE CÂBLAGE – CTD-304
120V
230V
1
2
3
4
CORDON
D'ALIMENTATION
120 V C.A. E NTRÉE
TRANSFORMATEUR
120/230V
INTERRUPTEURS
DE ROBINET
VOYANTS
MODULE DE
RALLUMAGE DU
GAZ EN 4 POINTS
ÉLECTRODES
G. AV
G. AR
D. AR.
D. AV
G. AR
G. AV
D. AV
D. AR
INT4
INT3
INT2
INT1
G
N

Related product manuals