EasyManua.ls Logo

DCS RDS-305 - Using the Oven for Slow Cooking or Low Temperatures

DCS RDS-305
30 pages
Print Icon
To Next Page IconTo Next Page
To Next Page IconTo Next Page
To Previous Page IconTo Previous Page
To Previous Page IconTo Previous Page
Loading...
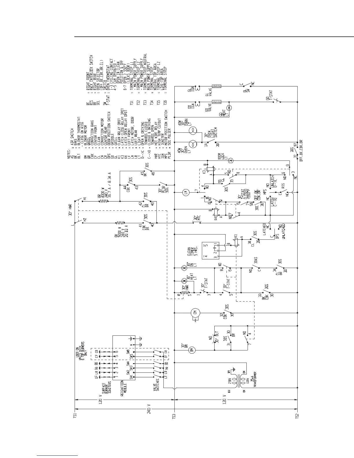
RDS-36 SCHEMATIC
21
17469-02.eps Rev.A 08/02

Other manuals for DCS RDS-305

Related product manuals