EasyManua.ls Logo

DCS RDS-305 - Suggested Temperatures to Keep Food Hot; Proofing and Self-Cleaning Modes; 12 Oven Proof Mode; Setting the 12 Oven for Proofing

DCS RDS-305
30 pages
Print Icon
To Next Page IconTo Next Page
To Next Page IconTo Next Page
To Previous Page IconTo Previous Page
To Previous Page IconTo Previous Page
Loading...
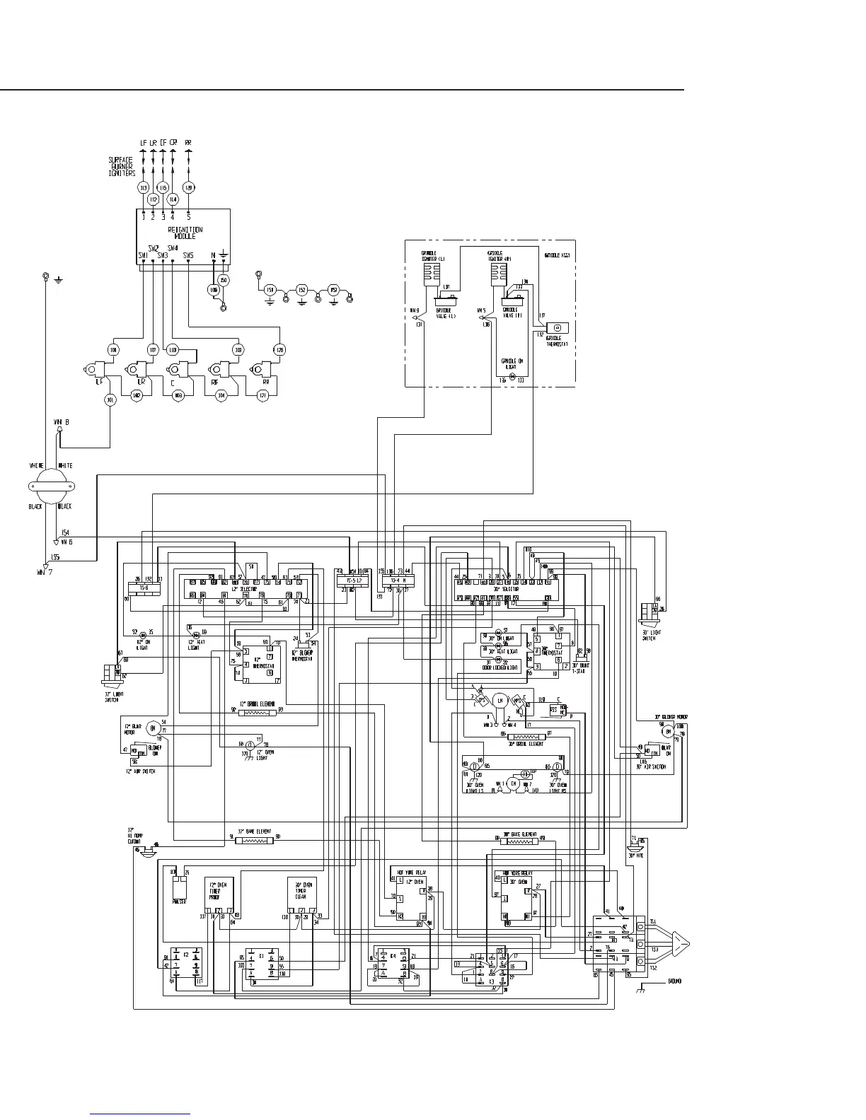
RDS-485 WIRING DIAGRAM
22
17580-01.eps Rev.A 08/02

Other manuals for DCS RDS-305

Related product manuals