EasyManua.ls Logo

DCS RDS-305 - Care and Maintenance; When Cleaning the Range or Cooktop; Burner Grates

DCS RDS-305
30 pages
Print Icon
To Next Page IconTo Next Page
To Next Page IconTo Next Page
To Previous Page IconTo Previous Page
To Previous Page IconTo Previous Page
Loading...
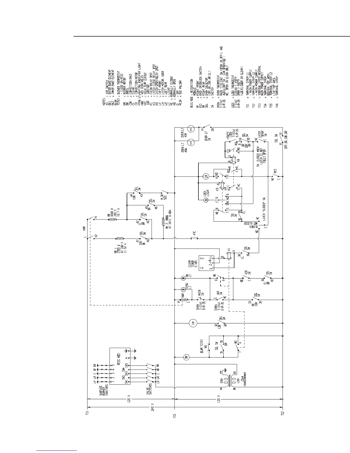
RDS-305 SCHEMATIC
25
17470-02.eps Rev.A 08/02

Other manuals for DCS RDS-305

Related product manuals