EasyManua.ls Logo

DCS RDS-486GD - OVEN OPERATION AND SPECIAL MODES; Oven Preheating and Settings

DCS RDS-486GD
30 pages
Print Icon
To Next Page IconTo Next Page
To Next Page IconTo Next Page
To Previous Page IconTo Previous Page
To Previous Page IconTo Previous Page
Loading...
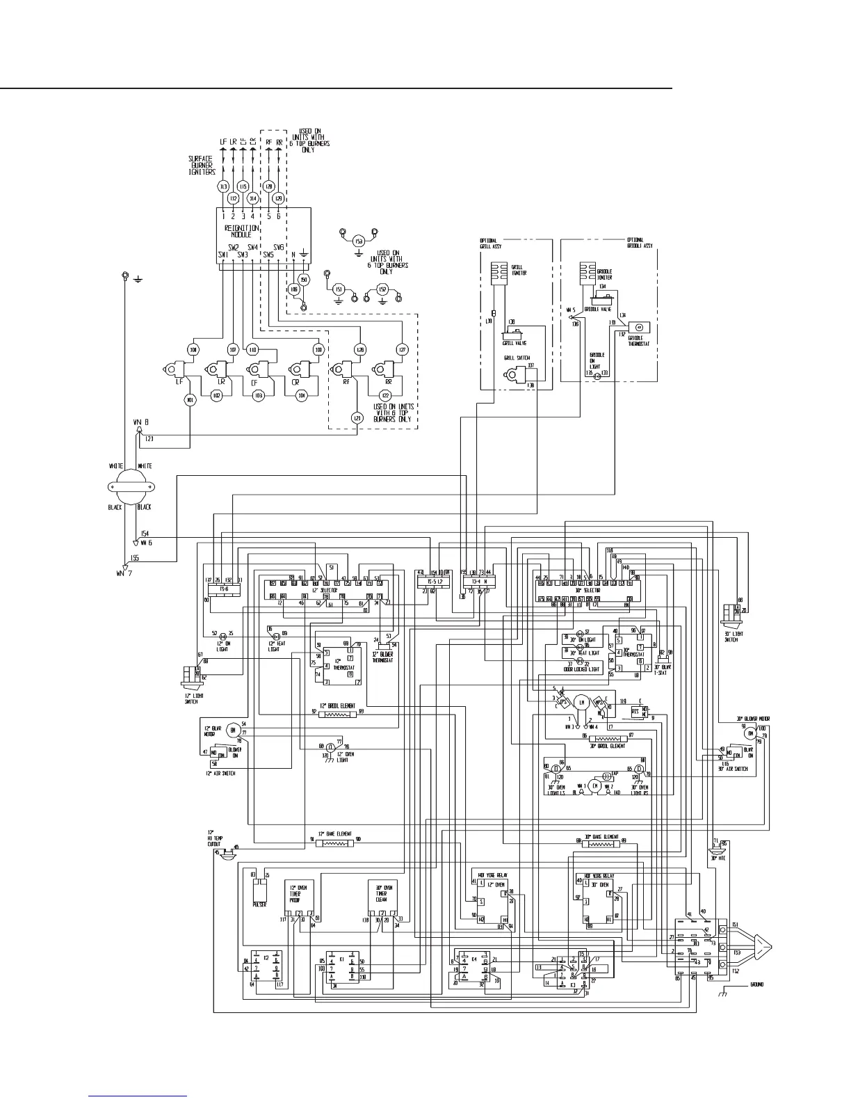
RDS-48 WIRING DIAGRAM
18
17468-01.eps Rev.A 08/02

Other manuals for DCS RDS-486GD

Related product manuals