EasyManua.ls Logo

DCS RDS-486GD - Low Temperature Cooking and Safety

DCS RDS-486GD
30 pages
Print Icon
To Next Page IconTo Next Page
To Next Page IconTo Next Page
To Previous Page IconTo Previous Page
To Previous Page IconTo Previous Page
Loading...
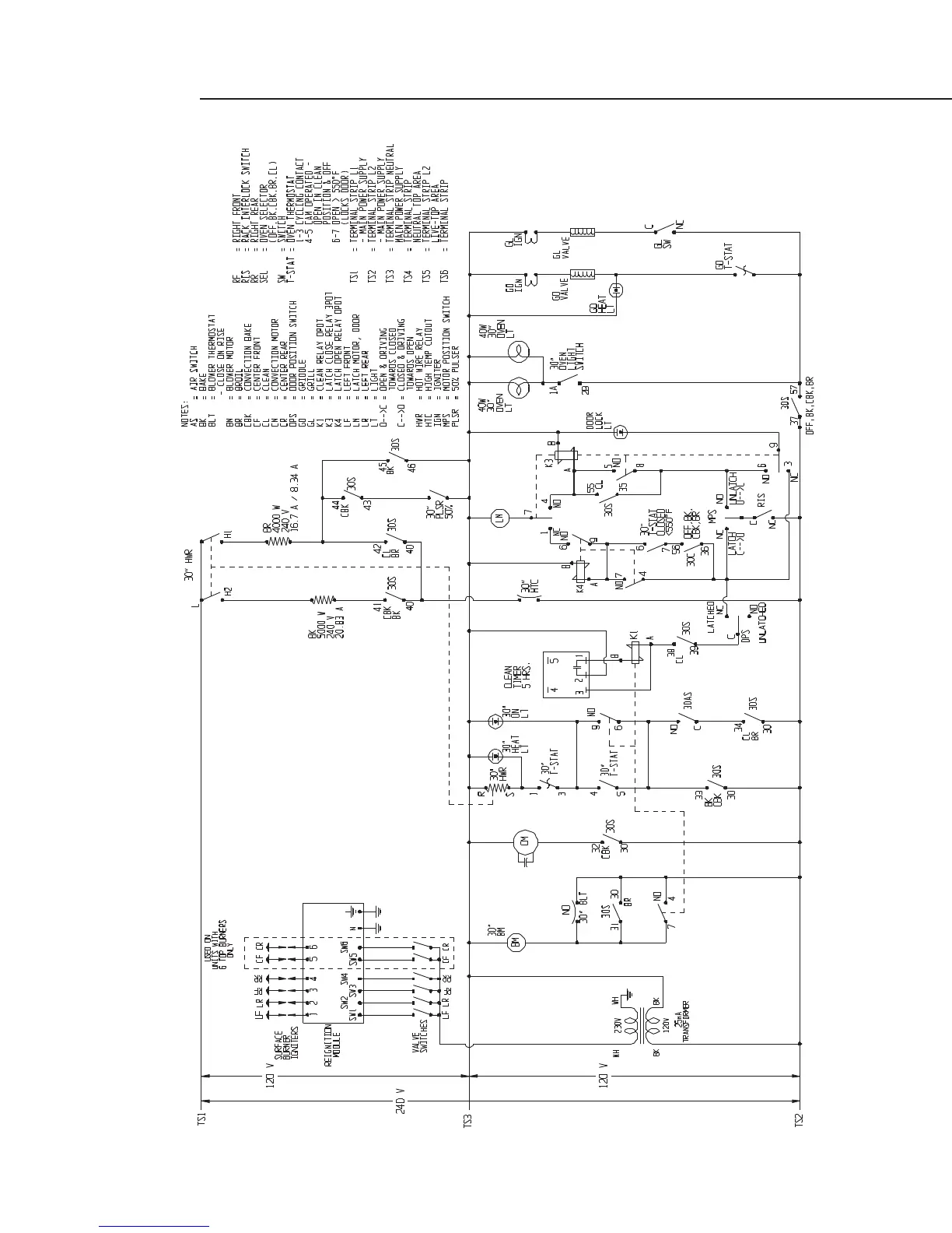
RDS-36 SCHEMATIC
21
17469-02.eps Rev.A 08/02

Other manuals for DCS RDS-486GD

Related product manuals