EasyManua.ls Logo

DCS RDS-486GD - PROOFING AND SELF-CLEANING MODES; 12 Oven Proof Mode Operation

DCS RDS-486GD
30 pages
Print Icon
To Next Page IconTo Next Page
To Next Page IconTo Next Page
To Previous Page IconTo Previous Page
To Previous Page IconTo Previous Page
Loading...
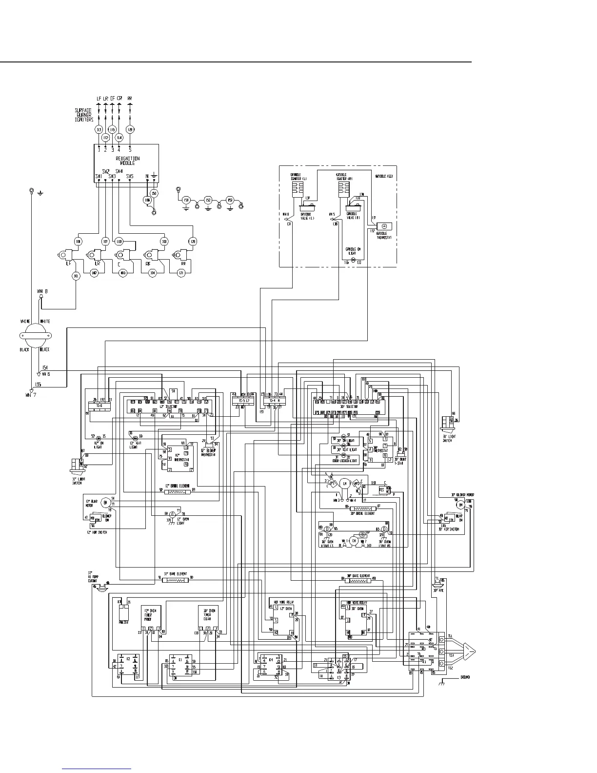
RDS-485 WIRING DIAGRAM
22
17580-01.eps Rev.A 08/02

Other manuals for DCS RDS-486GD

Related product manuals