EasyManua.ls Logo

DCS RDS-486GD - Self-Cleaning Safety and Preparation

DCS RDS-486GD
30 pages
Print Icon
To Next Page IconTo Next Page
To Next Page IconTo Next Page
To Previous Page IconTo Previous Page
To Previous Page IconTo Previous Page
Loading...
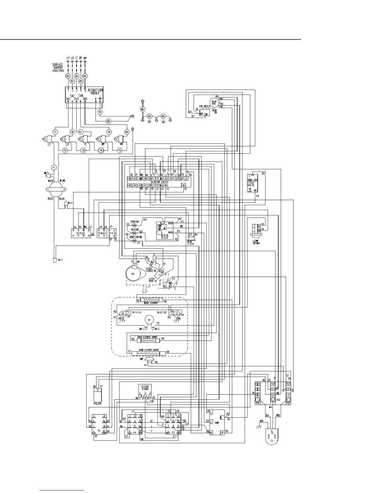
RDS-305 WIRING DIAGRAM
24
17470-01.eps Rev.A 08/02