EasyManua.ls Logo

Dea NET24N - Page 9

Dea NET24N
29 pages
Print Icon
To Next Page IconTo Next Page
To Next Page IconTo Next Page
To Previous Page IconTo Previous Page
To Previous Page IconTo Previous Page
Loading...
EN-8
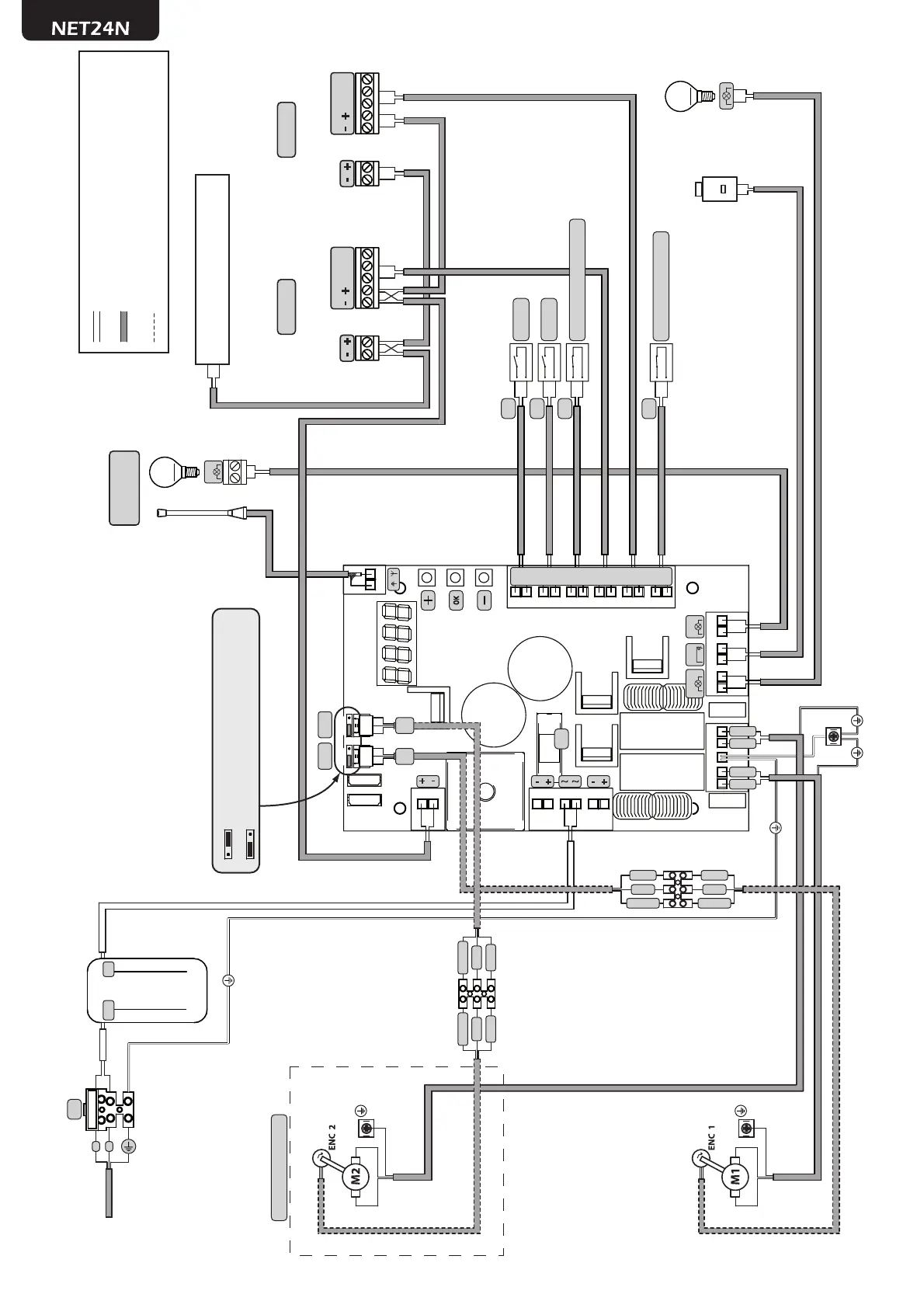
Wiring diagram for TYPE 01 (swing gate)
7981011 12131415
16 17
18
19
20
21
22
23
24
25
26
27
28
29
33
32
2
1
4
3
6
5
ABAB
F2
FLASH
LOCK
WARNING
J5 J9
ENCODER WIRING ONLY IF PRESENT
INTERNAL WIRING SET BY THE FACTORY
EXTERNAL WIRING SET BY THE INSTALLER
N.O.
N.O.
RG58
N.C.
START
PED
TX RX
TX RX
PHOTO 2PHOTO 1
Mot 2 (Only if present)
OPEN GATE WARNING LIGHT
24V 15w
ELECTRIC-LOCK
art.110
FLASH
LED24AI
max 15W
2 x 1 mm
2
2 x 1 mm
2
2 x 0,5 mm
2
2 x 0,5 mm
2
2 x 0,5 mm
2
2 x 0,5 mm
2
2 x 0,5 mm
2
2 x 0,5 mm
2
2 x 0,5 mm
2
2 x 0,5 mm
2
3 x 1,5 mm
2
3 x 1,5 mm
2
3 x 0,22 mm
2
3 x 0,22 mm
2
N.C.
2 x 0,5 mm
2
COM
N.C.
N.O.
COM
N.C.
N.O.
230V
22V
F
N
TRANSFORMER
230V/22V
POWER SUPPLY
230V~ 50Hz ±10%
F1
STOP (Only if needed)
2 x 0,5 mm
2
SAFETY (Only if needed)
ENC
M2
ENC
M1
A
A position = operators with encoder (remind to set P029=0)
B
B position = operators without encoder (remind to set P029=1))
To terminal 32/33 for normal connection
To terminal 1/2 for controlled safety devices (P071)
BLUE
RED
BROWN
WHITE
GREEN
BROWN
WHITE
GREEN
BROWN
WHITE
GREEN
BROWN
WHITE
GREEN
BLUE
RED
COM
IN_1
COM
IN_2
COM
IN_3
COM
IN_4
COM
IN_5
COM
IN_6

Other manuals for Dea NET24N

Related product manuals