EasyManua.ls Logo

Dea TEO 700 - Programmation

Dea TEO 700
80 pages
Go to English
To Next Page IconTo Next Page
To Next Page IconTo Next Page
To Previous Page IconTo Previous Page
To Previous Page IconTo Previous Page
Loading...
20
6 PROGRAMMATION
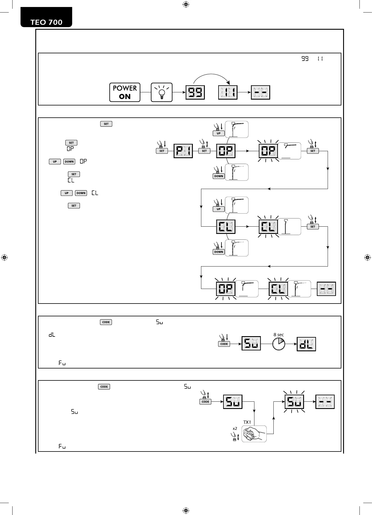
1 Alimentation
Alimentez l’opérateur, la lumière de courtoisie clignote pour quelques secondes et le display afche les nombres de ” à “ ” suivie
par le symbol de veille “- -”.
8
8
-
7
7
-
6
6
-
5
5
-
4
4
-
3
3
-
2
2
2 Apprentissage de la course des moteurs
1. Appuyez sur la touche et maintenez-la
appuyée jusqu’à ce que l’écran afche P1;
2. Accédez au paramètre en appuyant sur la
touche ;
3. Quand “ ”, s’afche, mettez la porte en po-
sition d’ouverture en agissant sur les touches
/ (“ ” clignote);
Conrmez la position d’ouverture en appu-
yant sur ;
4. Quand “ ”, s’afche, amenez la porte en
position de fermeture en agissant sur les tou-
ches / (“ ” clignote);
Conrmez la position de fermeture en appu-
yant sur ;
5. La porte s’ouvre et se ferme automatique-
ment en cherchant la position d’ouverture et
de fermeture;
6. Une fois la manoeuvre terminée, le display
revient à “- -“
3 Effacement des émetteurs mémorisés
1. Appuyez sur la touche (le display afche ”) et mainte-
nez-la appuyée pendant 8 sec. jusqu’à ce que le display afche
”;
Toutes les télécommandes précédemment mémorisées seront
effacées;
Attention: Après 20 codes mémorisés (limite maximale), le display
afche “
”.
4 Apprentissage des émetteurs
1. Appuyez sur la touche jusqu’à ce que le display afche
”;
2. Appuyez sur la touche de la télécommande que vous désirez
mémoriser, puis rélâchez et appuyer à nouveau (le display fait
clignoter “ ”);
3. Une fois la procédure est terminée, le display revient à “- -”;
4. Répétez la procédure pour mémoriser d’autres télécommandes
avec un maximum de 20 codes;
Attention: Après 20 codes mémorisés (limite maximale), le display
afche “
”.

Table of Contents

Other manuals for Dea TEO 700

Related product manuals