EasyManua.ls Logo

Dea TEO 700 - Programação

Dea TEO 700
80 pages
Go to English
To Next Page IconTo Next Page
To Next Page IconTo Next Page
To Previous Page IconTo Previous Page
To Previous Page IconTo Previous Page
Loading...
44
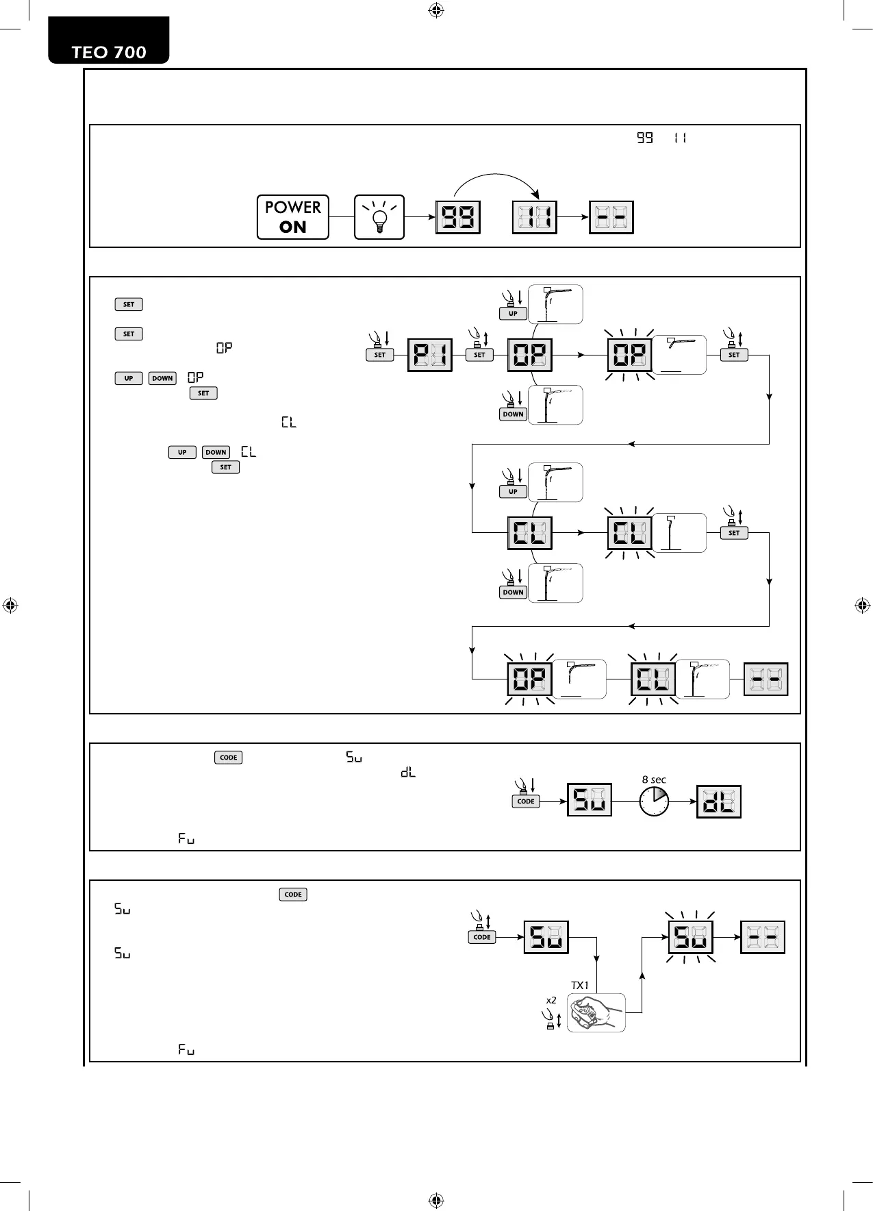
6 PROGRAMAÇÃO
1 Alimentação
Ligando o motor à rede a luz de cortesia pisca por alguns segundos e o display mostra os números de ” a “ ” seguido do símbolo
de espera “- -”.
8
8
-
7
7
-
6
6
-
5
5
-
4
4
-
3
3
-
2
2
2 Aprendizagem do curso do motor
1. Pressione e mantenha pressionado o botão
até que o visor mostre P1;
2. Entre no parâmetro pressionando o botão
;
3. Quando aparecer “ ”, coloque a porta na
posição de abertura pressionando os botões
/ (“ ” pisca);
Prima o botão
para conrmar a posição
aberta;
4. Quando aparecer a mensagem “
”, coloque
a porta na posição de fechada pressionando
os botões / (“ ” pisca);
Pressione o botão para conrmar a po-
sição fechada;
5. A porta abre e fecha procurando automatica-
mente a posição de abertura e de fecho;
6. Quando a manobra terminar reaparece no
display “- -“
3 Apagar os emissores memorizados
1. Pressione o botão (o display mostra “ ”) e mantenha-o
pressionado por 8 segundos até que o display mostre “ ”;
Todos os emissores previamente memorizados são eliminados
da memória;
Atenção: Depois de 20 emissores memorizados (limite máximo), o
display mostra “
”.
4 Aprendizagem dos emissores
1. Mantenha pressionada a tecla até o display apresentar “
”;
2. Pressione o botão do comando que deseja memorizar, solte-o e
de seguida pressione-o novamente (o display pisca a indicação “
”);
3. Quando o procedimento estiver completo o display volta para
“- -”;
4. Repita o processo de aprendizagem de outros emissores, até um
máximo de 20 códigos;
Atenção: Depois de 20 emissores memorizados (limite máximo), o
display mostra “
”.

Table of Contents

Other manuals for Dea TEO 700

Related product manuals