EasyManua.ls Logo

DeLonghi DMFPS60BF - Electric Diagrams; Diagram for Electronic Programmer Models

DeLonghi DMFPS60BF
36 pages
Print Icon
To Next Page IconTo Next Page
To Next Page IconTo Next Page
To Previous Page IconTo Previous Page
To Previous Page IconTo Previous Page
Loading...
S1S2
F1
PR
1
6
1a
6a
4
9
4a
9a
3
8
3a
8a
2
7
2a
7a
5
10
11
5a
10a
11a
C
G
S
V
CIR
TM
CF
N/7
1
1a
L/8
LF1
TL
T
N
L
M
LF2
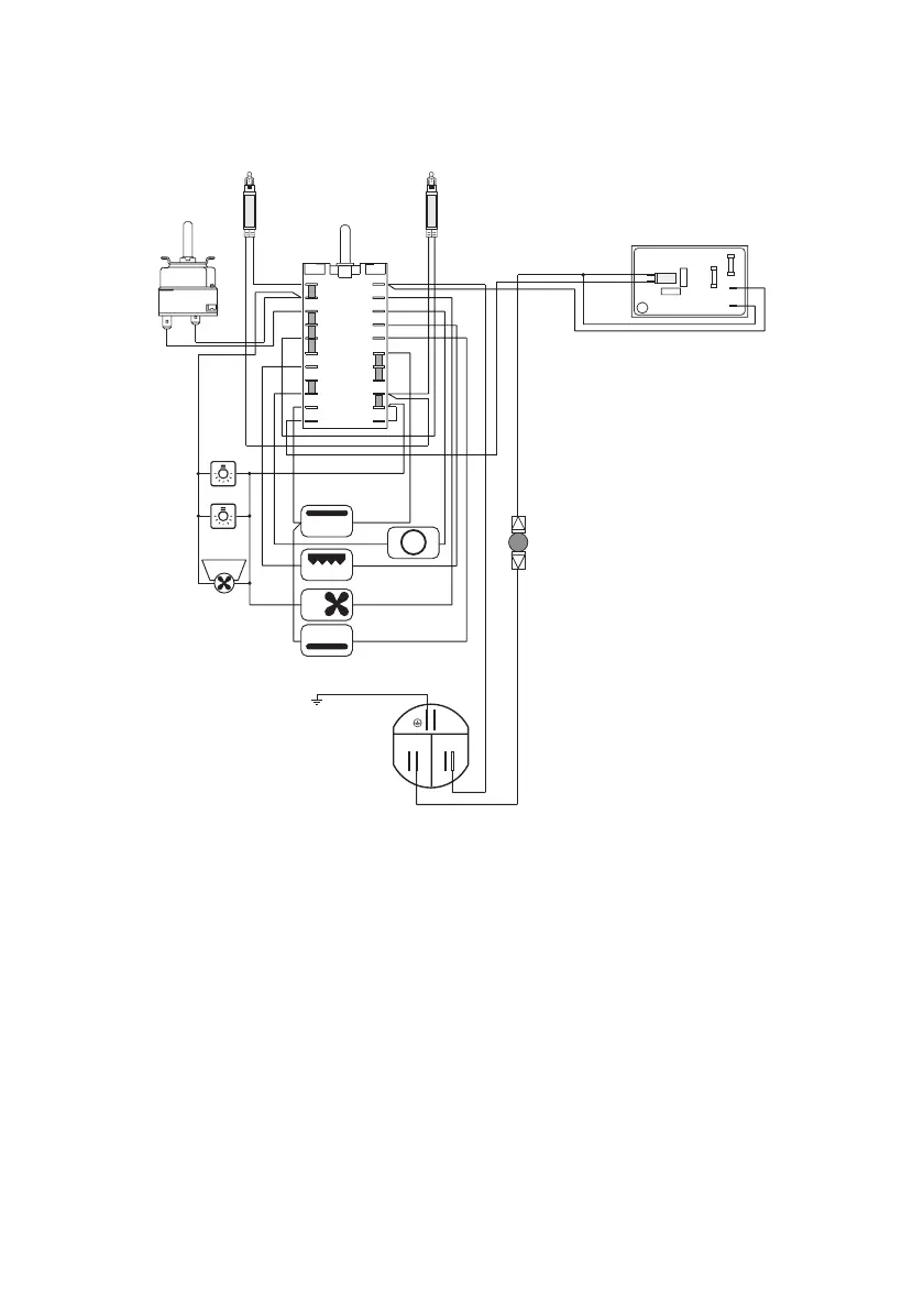
ELECTRIC DIAGRAM - multifunction OVENS
(models with electronic programmer)
Figure 4
F1 Oven switch
TM Oven thermostat
TL Thermal overload
PR Electronic programmer
LF1 Oven lamp
LF2 Oven lamp
S1 Thermostat pilot lamp
S2 Line pilot lamp
C Top element
G Grill element
S Bottom element
V Fan
CIR Circular element
CF Cooling fan
M Terminal block
T Earth connection
7

Related product manuals