EasyManua.ls Logo

Delta ASD-A2-1521 Series - Page 658

Delta ASD-A2-1521 Series
721 pages
Print Icon
To Next Page IconTo Next Page
To Next Page IconTo Next Page
To Previous Page IconTo Previous Page
To Previous Page IconTo Previous Page
Loading...
Chapter 12 Absolute System ASDA-A2
Revision February, 2017 12-9
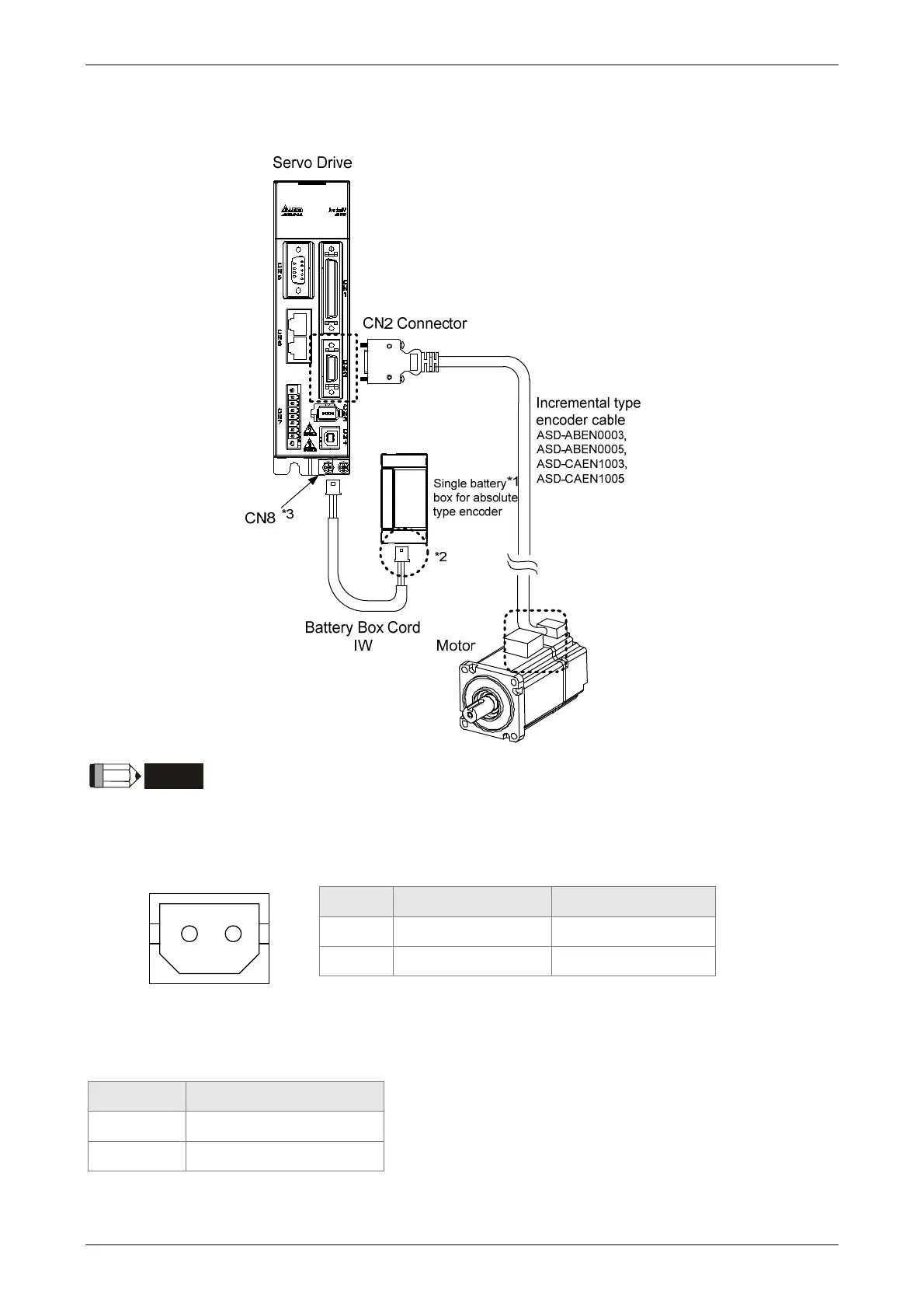
Single Battery Box (Connect to CN8)
NOTE
This is the wiring diagram for connecting to a single battery box. The scale of the
objects does not match the dimensions as shown in the drawing above. For different models of AC
servo drives and motors, the connection cables may differ.
1* Make sure the battery box is firmly fixed with this connection method.
2* Connect to power base on single battery box, see the descriptions below:
12
Pin No Terminal Symbol Connector Cable
1 BAT+ Red
2 BAT- Black
3* Definition of CN8 Connector:
Please conduct the wiring according to the following instructions. Wrong wiring might
cause battery explosion.
Pin No Terminal Symbol
1 BAT+
2 BAT-

Table of Contents

Other manuals for Delta ASD-A2-1521 Series

Related product manuals