EasyManua.ls Logo

Delta VFD17AME43ANNAA

Delta VFD17AME43ANNAA
403 pages
To Next Page IconTo Next Page
To Next Page IconTo Next Page
To Previous Page IconTo Previous Page
To Previous Page IconTo Previous Page
Loading...
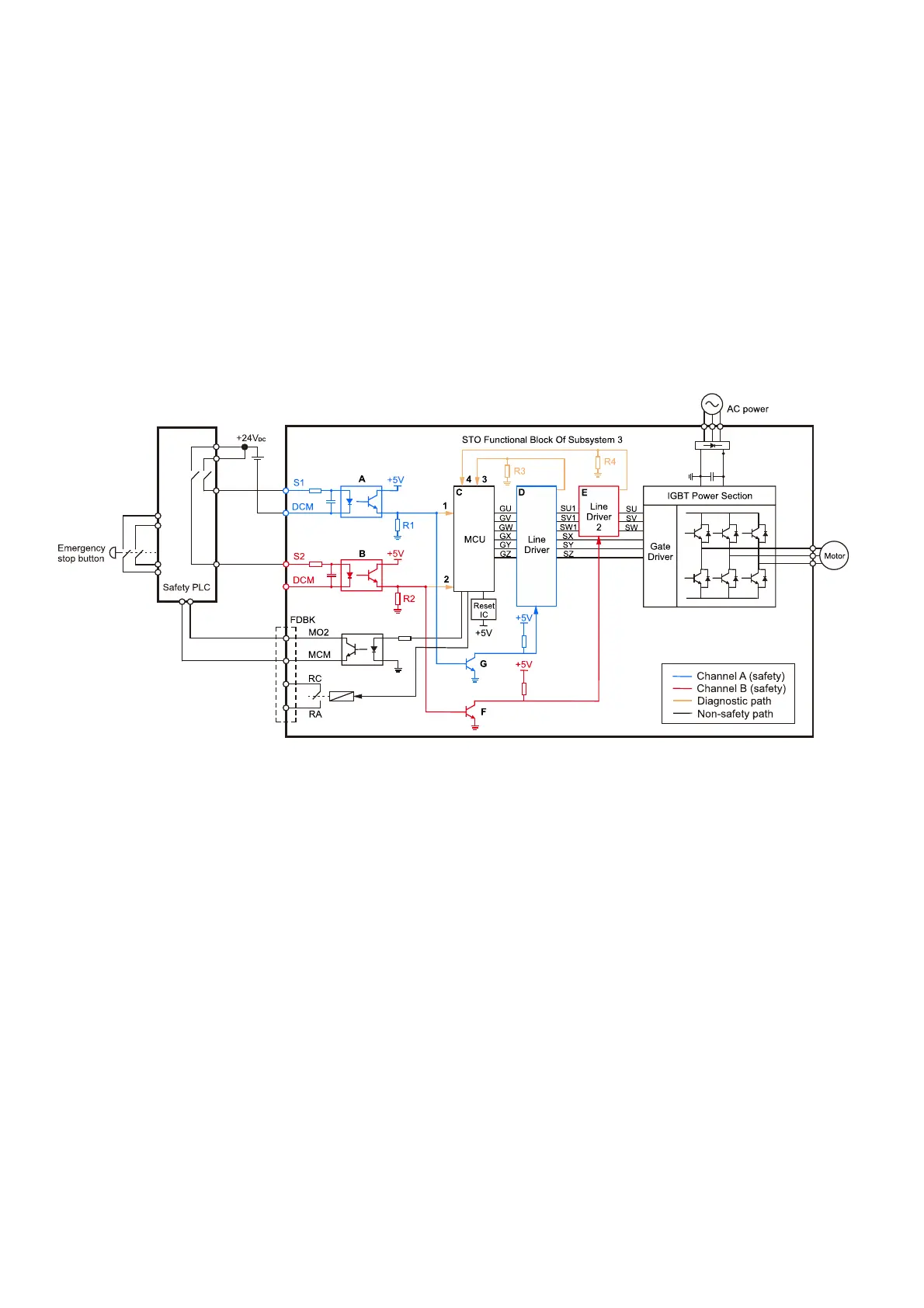
Chapter 15 Safe Torque Off FunctionME300
15-2
15-1 Basic Function Description
The ME300 series provide a Safe Torque Off (STO) function. The ME300 series use dual-channel S1
and S2 signal inputs to turn off IGBT switching, further preventing the generation of motor torque in order
to achieve a safe stop. Refer to Figure 1 for the Safe Torque Off function circuit diagram.
The ME300 Safe Torque Off function meets the following international standards:
ISO 13849-1: 2015 Category 3 PL d
IEC 61508 SIL2
EN 62061 SIL CL 2
EN 60204-1 Category 0
Figure 1: The circuit diagram for the Safe Torque Off function

Table of Contents

Related product manuals