EasyManua.ls Logo

Delta VFD550C43A-00

Delta VFD550C43A-00
1259 pages
To Next Page IconTo Next Page
To Next Page IconTo Next Page
To Previous Page IconTo Previous Page
To Previous Page IconTo Previous Page
Loading...
Chapter 8 Option CardsC2000 Plus
8-23
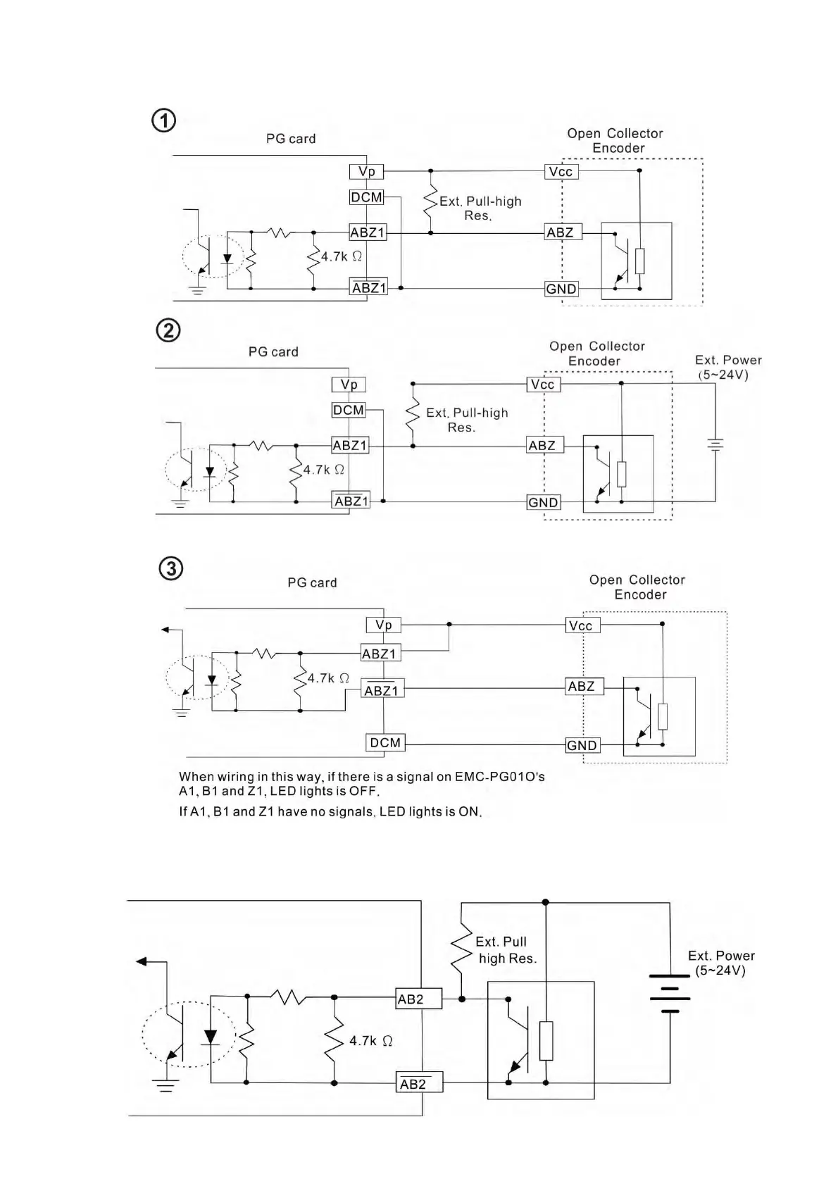
PG1 card wiring diagram (three images below are wiring diagrams of open collector encoder)
PG2 Wiring Diagram

Table of Contents

Related product manuals