EasyManua.ls Logo

Delta VFD550C43A-00 - Page 82

Delta VFD550C43A-00
1259 pages
Print Icon
To Next Page IconTo Next Page
To Next Page IconTo Next Page
To Previous Page IconTo Previous Page
To Previous Page IconTo Previous Page
Loading...
Chapter 5 Main Circuit TerminalsC2000 Plus
5-5
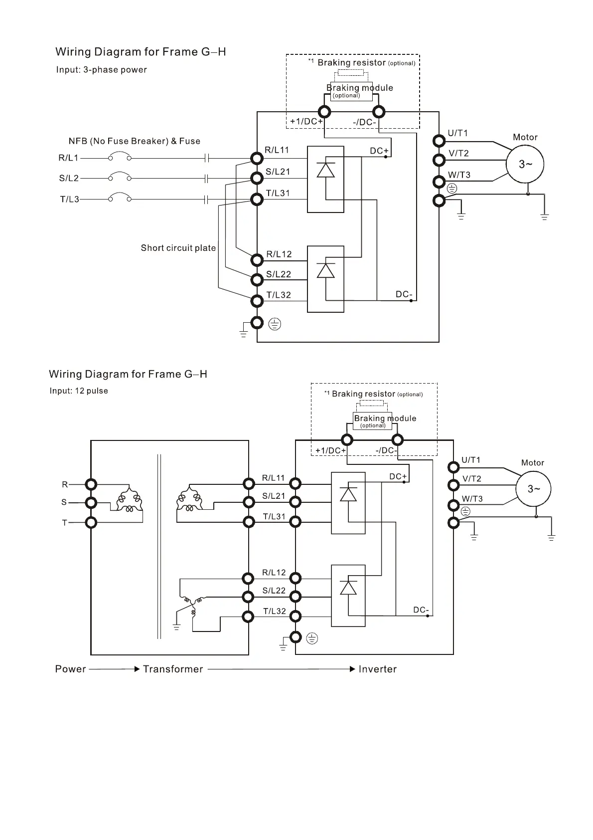
Figure 5-7
Figure 5-8
NOTE:
1. Mark *1 means that refer to Section 7-1 for brake units and resistors selection.
2. If the wiring between motor drive and motor is over 75 meters, refer to Section 7-4 Specifications of
limits for motor cable length.
3. Frame G and H models use 12 pulse input, you should remove the short circuit plate (see the figure
below). Consult with Delta before using 12 pulse input.
4. When wiring for 12 pulse input, strictly follow above wiring diagram.

Table of Contents

Related product manuals