EasyManua.ls Logo

Delta VFD7A5ME21ANNAA

Delta VFD7A5ME21ANNAA
403 pages
To Next Page IconTo Next Page
To Next Page IconTo Next Page
To Previous Page IconTo Previous Page
To Previous Page IconTo Previous Page
Loading...
Chapter 12 Description of Parameter SettingsME300
12
.1
-
00
-
6
Control Mode
Default: 0
Settings
0: Speed mode
Determines the control mode of the AC motor drive.
Speed Control Mode
Default: 0
Settings 0: V/F (IM V/F control)
2: SVC (Pr.05-33 set as IM or PM)
Determines the control mode of the AC motor drive:
0: IM V/F control: you can set the proportion of V/F as required and control multiple motors
simultaneously.
2: IM sensorless vector control: get the optimal control by auto-tuning the motor parameters.
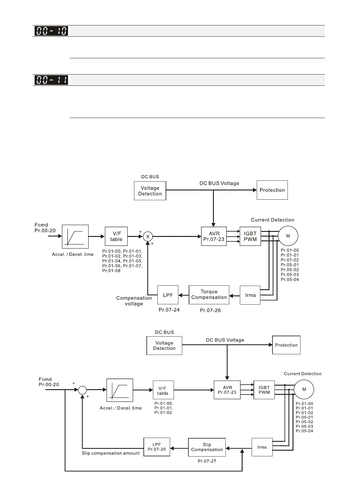
When Pr.00-10 = 0 and you set Pr.00-11 to 0, the V/F control diagram is as follows:
When Pr.00-10 = 0 and you set Pr.00-11 to 2, the sensorless vector control diagram is as follows
:

Table of Contents

Related product manuals