EasyManua.ls Logo

Delta VFD9A0MS43ANSAA - 4-2 Wiring

Delta VFD9A0MS43ANSAA
805 pages
Print Icon
To Next Page IconTo Next Page
To Next Page IconTo Next Page
To Previous Page IconTo Previous Page
To Previous Page IconTo Previous Page
Loading...
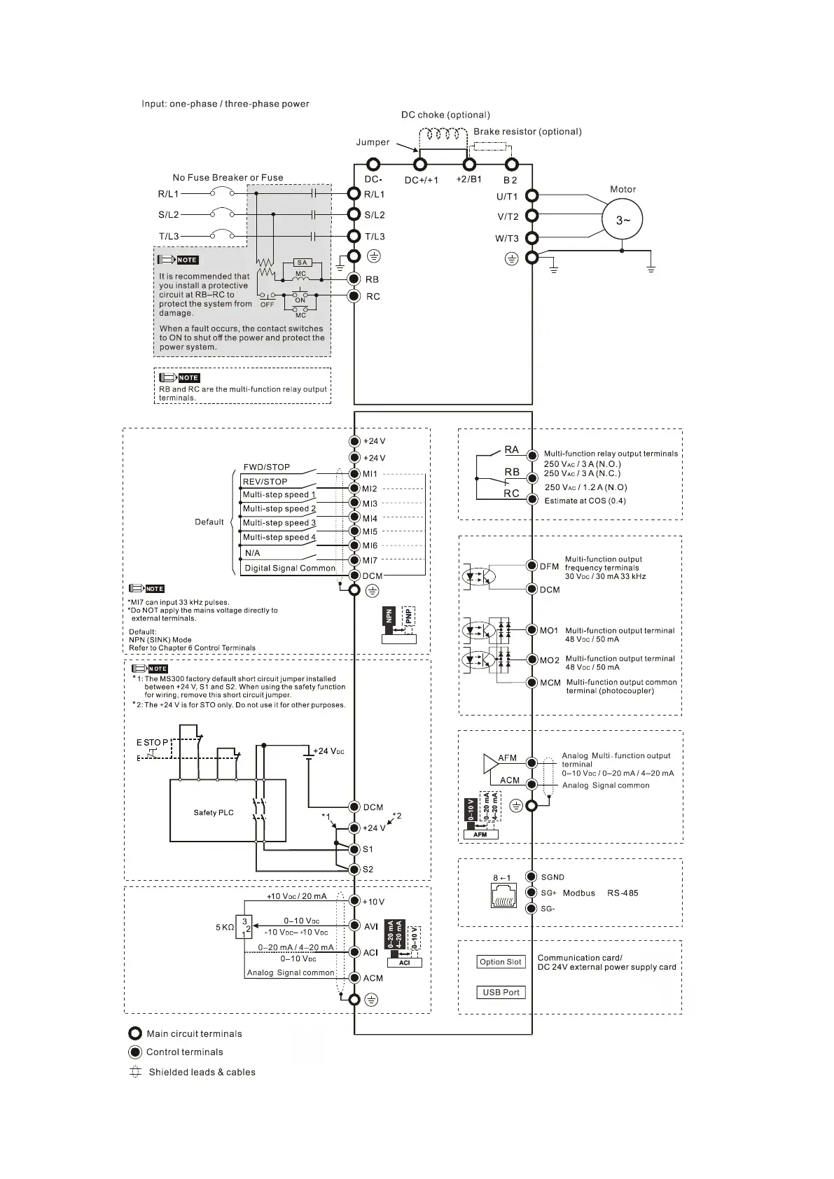
Chapter 4 WiringMS300
24
4-2 Wiring

Table of Contents

Other manuals for Delta VFD9A0MS43ANSAA

Related product manuals