EasyManua.ls Logo

Delta VFD9A0MS43ANSAA - Page 686

Delta VFD9A0MS43ANSAA
805 pages
Print Icon
To Next Page IconTo Next Page
To Next Page IconTo Next Page
To Previous Page IconTo Previous Page
To Previous Page IconTo Previous Page
Loading...
Chapter 16 PLC Function ApplicationsMS300
677
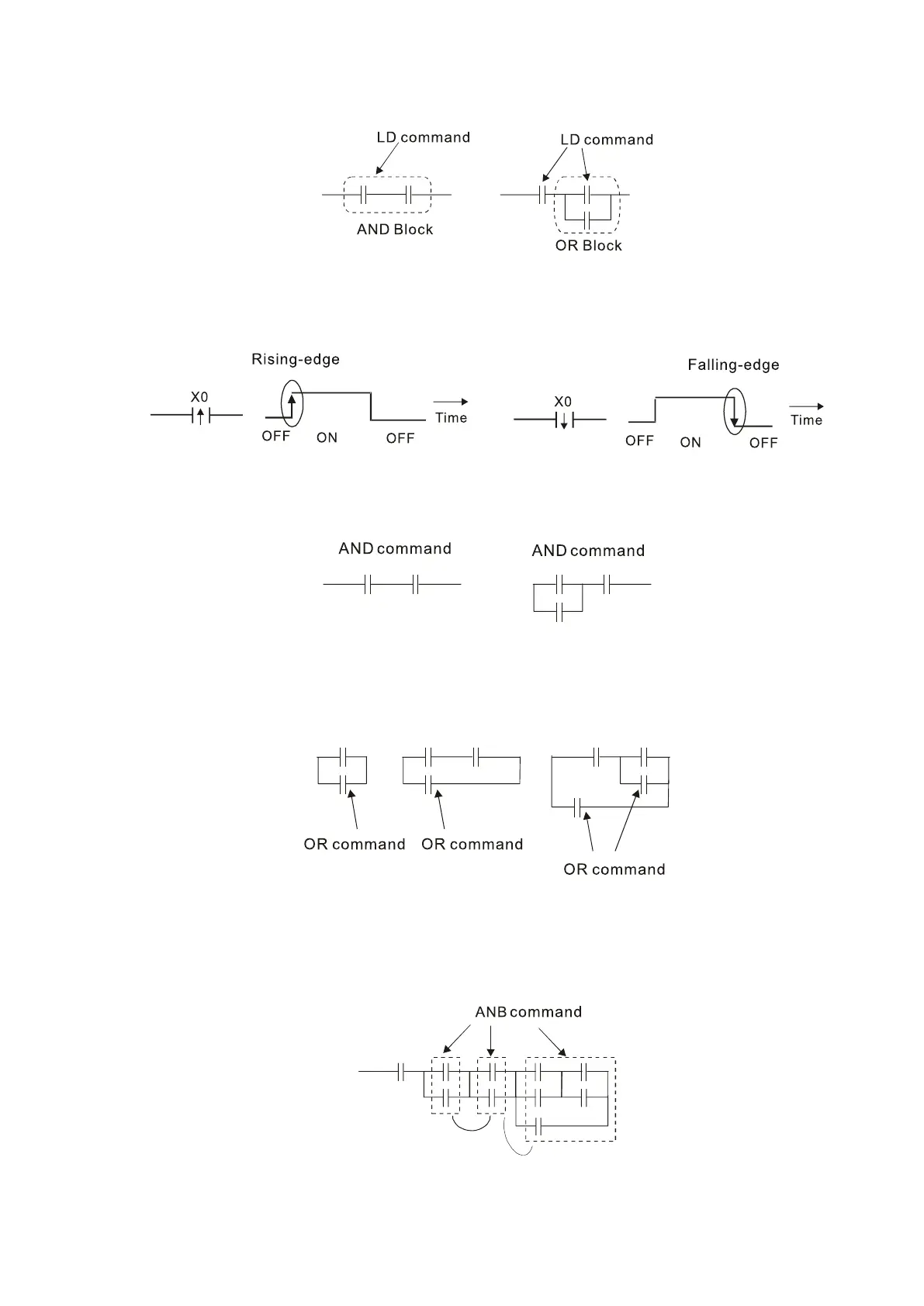
Explanation of basic structure of ladder diagrams
1. LD (LDI) command: An LD or LDI command appears at the start of a block.
Figure 16-29
LDP and LDF use this command structure, but there are differences in their action state. LDP,
LDF only act at the rising or falling edge of a conducting contact (see diagram below).
Figure 16-30
2. AND (ANI) command: a series configuration in which a single device is connected with one
device or a block.
Figure 16-31
ANDP, ANDF use this structure, but their action occurs at the rising and falling edge of a
conducting contact.
3. OR (ORI) command: a single device is connected with one device or a block.
Figure 16-32
ORP, ORF use this structure, but their action occurs at the rising and falling edge a conduction
contact.
4. ANB command: a configuration in which one block is in series with one device or block.
Figure 16-33

Table of Contents

Other manuals for Delta VFD9A0MS43ANSAA

Related product manuals