EasyManua.ls Logo

DEMA NITRO EXPRESS - Changing Settings

DEMA NITRO EXPRESS
8 pages
Print Icon
To Next Page IconTo Next Page
To Next Page IconTo Next Page
To Previous Page IconTo Previous Page
To Previous Page IconTo Previous Page
Loading...
I-974
Rev. J-43816
Page 5 of 8
3
/
23/18
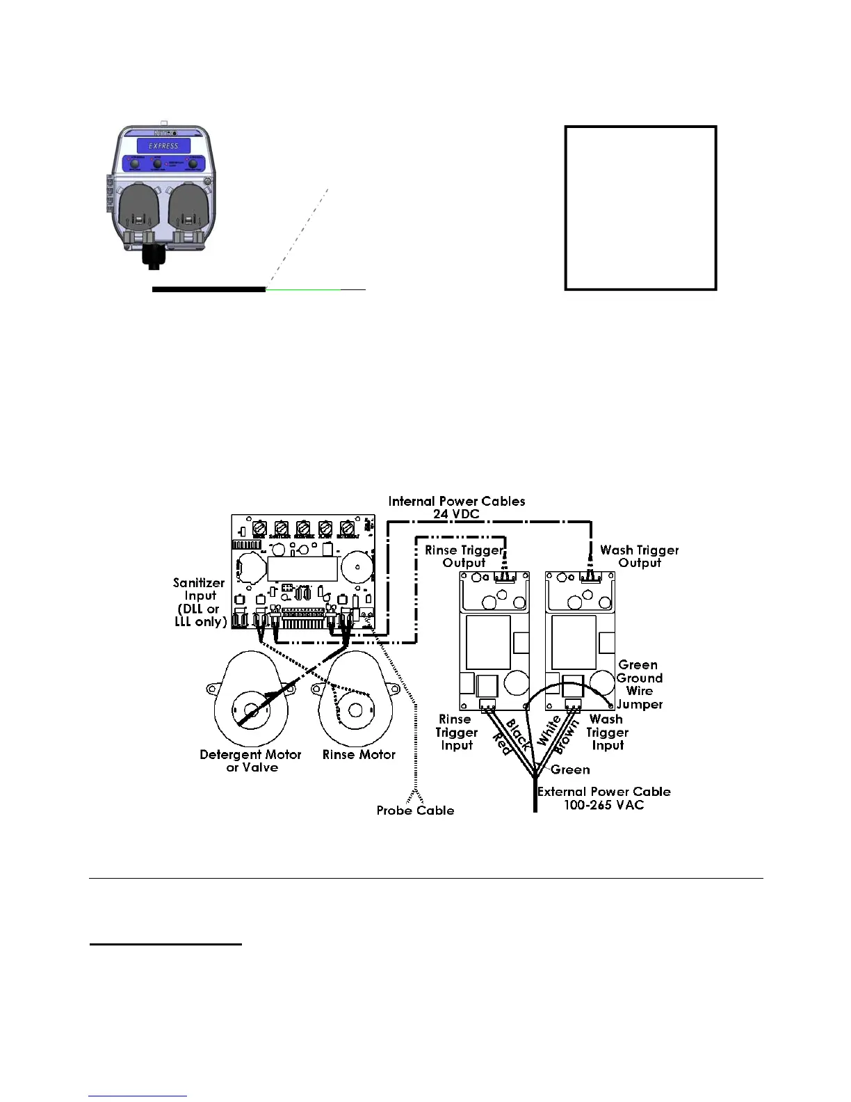
The following steps will help to insure the proper wiring of the unit. The unit should be triggered to power on from the
dish machine that it is being used in conjunction with. DEMA Engineering does not recommend powering the unit
separately from the dish machine. The following three steps will insure that the unit only receives power when it is
necessary to have power to run the setup that is programmed in the unit.
1. Connect the wash trigger (white and brown wires) to the appropriate wash trigger output (between 100 and 265
VAC 50/60Hz) as recommended by the dish machine manufacturer.
2. Connect the rinse trigger (black and red wires) to the appropriate rinse trigger output (between 100 and 265
VAC 50/60 Hz) as recommended by the dish machine manufacturer.
3. Make sure to connect the earth ground (green wire) to the ground connection on the dish machine as
recommended by the dish machine manufacturer.
If there is ever any question about the connection to the dish machine, please check with the dish machine
manufacturer to see where the proper trigger connection points are located before installing the trigger
connection wires.
Below is a wiring diagram for the unit. This is the internal wiring of the unit.
Programming the Nitro Express
Programming is done through the setting of dip switches and potentiometers (knobs). The following states how to
program the Nitro Express.
Changing Settings
When switches are changed or pots are turned, the settings will take effect immediately. In the case that the unit is
processing the previous settings, it will finish the current cycle before the new setting is used. If the Probe/Probeless or
Door/ Conveyor Settings are changed, the unit will start the cycle over immediately.
BROWN – WASH TRIGGER (HOT)
WHITE – WASH TRIGGER (RETURN)
BLACK – RINSE TRIGGER (HOT)
RED – RINSE TRIGGER (RETURN)
GREEN – EARTH GROUND
DISH
MACHINE
ELECTRICAL
CONNECTION
POINT

Related product manuals