EasyManua.ls Logo

Denon AVR-3312CI

Denon AVR-3312CI
180 pages
To Next Page IconTo Next Page
To Next Page IconTo Next Page
To Previous Page IconTo Previous Page
To Previous Page IconTo Previous Page
Loading...
191
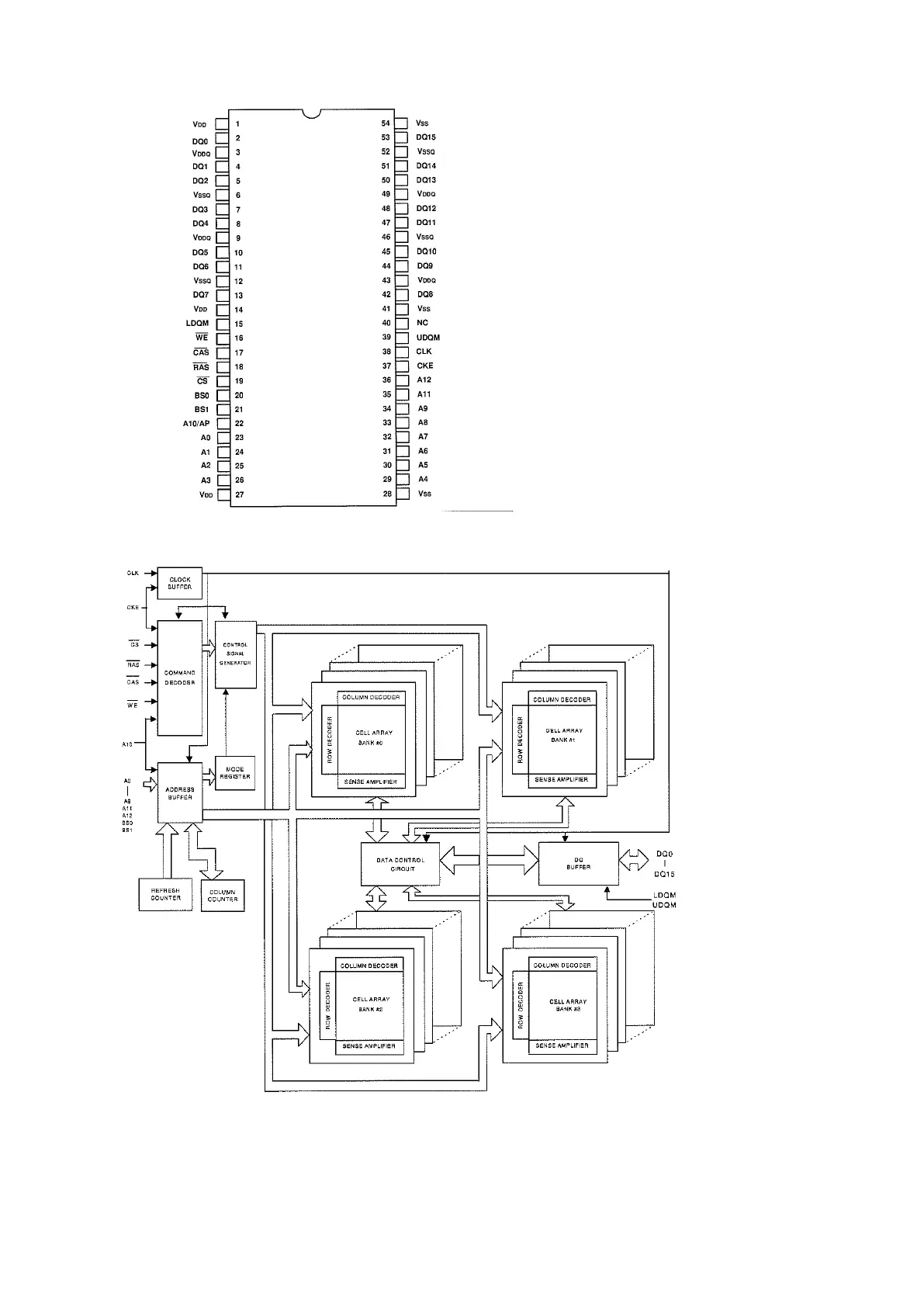
W9825G6JH-6(HDMI:IC392)
W9825G6JH-6PinFunction

Table of Contents

Other manuals for Denon AVR-3312CI

Related product manuals