EasyManua.ls Logo

Denon AVR-786

Denon AVR-786
99 pages
To Next Page IconTo Next Page
To Next Page IconTo Next Page
To Previous Page IconTo Previous Page
To Previous Page IconTo Previous Page
Loading...
88
AVR-1906 / AVR-786 / AVC-1620
SIGNAL LINE
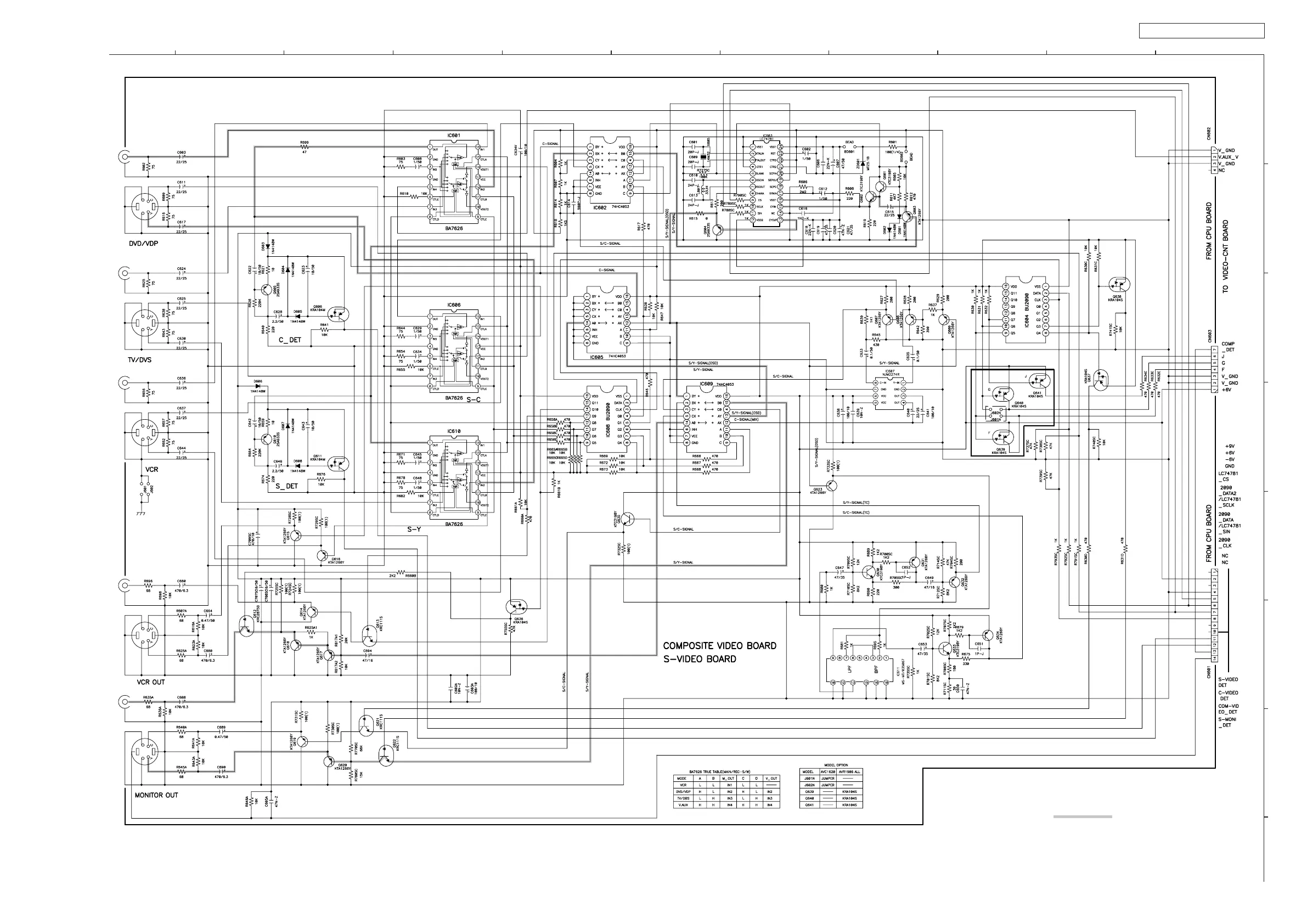
SCHEMATIC DIAGRAMS (9/15)
VIDEO BOARD
COMPOSITE VIDEO BOARD
S-VIDEO BOARD
(For E2 MODEL)
SCHEMATIC DIAGRAMS (9/15)
1234567891011
A
B
C
D
E
F
G
H
AVR-1906 / AVR-786 / AVC-1620

Other manuals for Denon AVR-786

Related product manuals