EasyManua.ls Logo

Denon AVR-786 - Page 94

Denon AVR-786
99 pages
Print Icon
To Next Page IconTo Next Page
To Next Page IconTo Next Page
To Previous Page IconTo Previous Page
To Previous Page IconTo Previous Page
Loading...
94
AVR-1906 / AVR-786 / AVC-1620
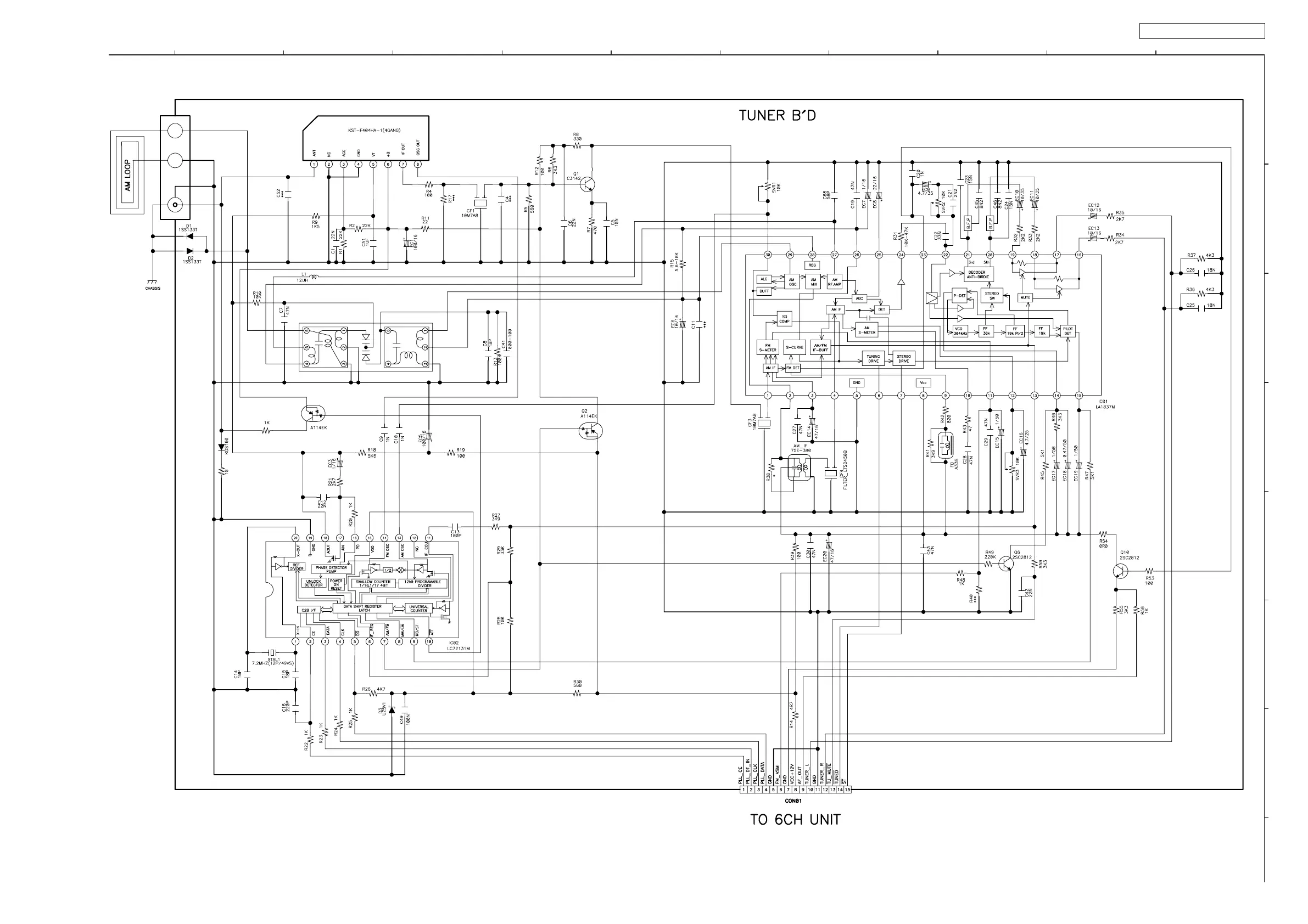
SCHEMATIC DIAGRAMS (15/15)
TUNER UNIT
(For AVR-1906/AVR-786 MODEL)
SCHEMATIC DIAGRAMS (15/15)
1234567891011
A
B
C
D
E
F
G
H
AVR-1906 / AVR-786 / AVC-1620

Other manuals for Denon AVR-786

Related product manuals