EasyManua.ls Logo

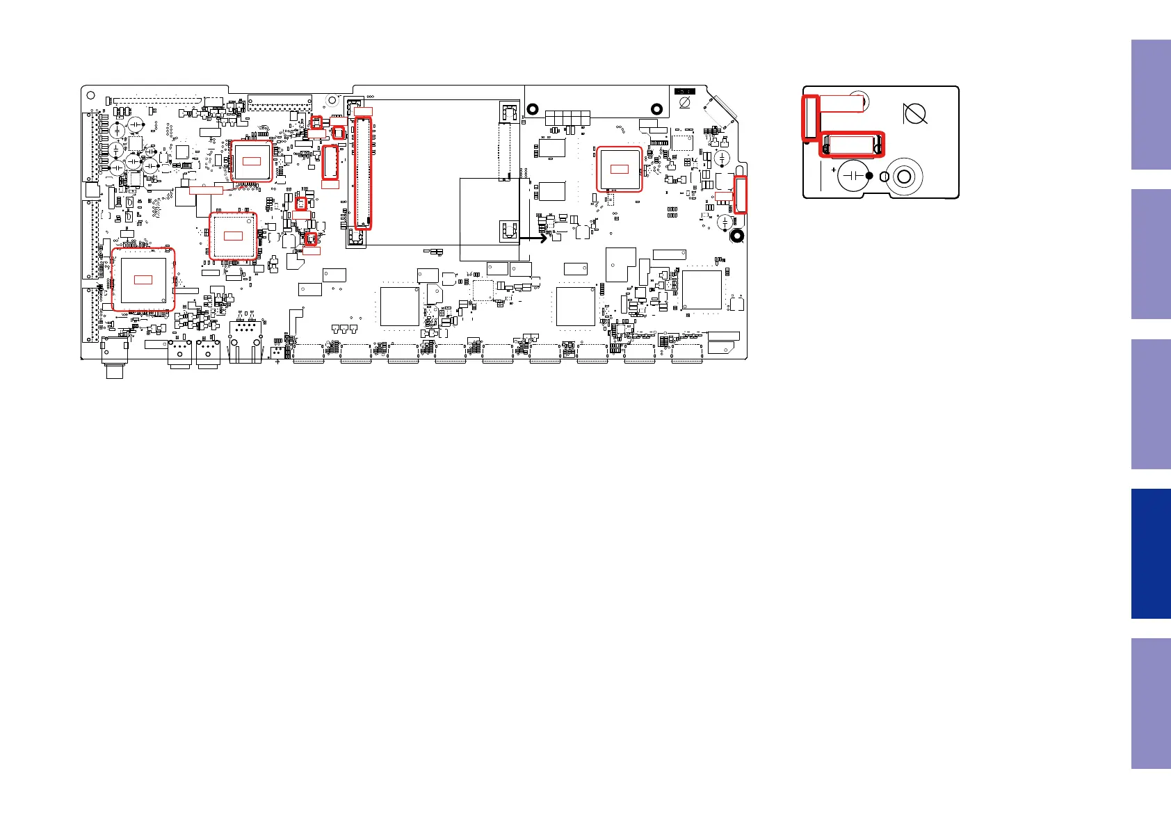
Denon AVR-S950H Series - USB Test Point

Denon AVR-S950H Series
174 pages
Print Icon
To Next Page IconTo Next Page
To Next Page IconTo Next Page
To Previous Page IconTo Previous Page
To Previous Page IconTo Previous Page
Loading...
DIGITAL test point USB test point
(A SIDE)
(A SIDE)
R1960
R2183
C1315
C2193
C2195
C1916
C1913
C2085
C2130
C2123
R2408
C2424
C2425
C2126
C2110
C2198
R1932
R1477
C1904
R1823
R1822
R1497
R1491
R1916
R1914
R1374
C1293
D1097
D1104
R1745
R1340
C1709
R1971
Q1025
R1255
R1630
R1664
R1965
R1942
R1355
C1822
R2114
R2113
R2112
R2193
R2028
R2008
R2032
R1934
R1933
C1788
C1879
C2066
R1298
C1371
C1959
C1960
C1720
R1379
R1300
C1191
C1945
C1947
C1239
R1974
R1842
R2117
R1215
C1186
R1305
R1307
R1306
R1304
R1303
C1184
C1013
C1176
C1296
C1839
R2004
C1769
C1703
L1064
L1065
C1655
C1840
C1646
L1044
R1710
R1707
R1701
R1174
C1160
R1171
R1167
R1163
R1164
R1160
C1976
C1568
C1569
R1801
R1798
C1755
R1917
C1918
C1923
Q1056
R1838
R1840
C1791
R1811
C1841
R1937
C1748
C1771
C1674
C1673
R1964
R1962
R1957
R1510
R1509
R1508
R1501
C2120
C1318
C2160
C2194
C2086
R2406
R2064
R2407
R2045
R1525
Q1064
C1366
C1876
L1136
R1478
R1480
C2057
R1967
R1828
R1829
C1871
C1870
C2070
Q1060
R1499
R1505
C2091
C1911
R1915
R1920
Q1059
R1969
R1488
Q1043
R1824
R2102
R2111
R1931
R1926
R1925
R1927
R1929
R1975
R1981
R1360
R1343
R1344
D1086
L1017
C1195
R1631
R1591
R1589
R1641
R1935
R1354
R1338
R1337
R1373
C1292
R2186
R1921
R1366
R1399
R1368
U1068
TPS563200
R2009
R1297
R1014
D1001
D1002
D1003 R1016
R1015
R1021
R1019
C1032
C1726
C1718
C1851
C1846
R1385
R1398
C1845
C1832
C1830
R1944
R1945
R2110
Q2204
R2033
C1242
C1882
Q1002
R1212
R1293
R1323
C1014
C1177
Q1010
L1058
R1736
R1737
C1824
R2206
C1690
C1687
C1689
R2203
L1137
C1853
R2199
L1063
L1062
Q1014
L1103
L1106
C1750
C1756
L1111
L1114
L1053
C1774
C1972
R1702
R1706
R1169
R1186
R1175
R1994
R1166
R1165
C1567
C2246
R2226
R2146
C1343
C1821
C1543
R1685
R1635
C2069
R1683
R1750
C1612
L1112
L1113
Q2211
R1383
R1378
R2104
C1707
R1854
R1861
R1382
R1377
R1675
C1781
TPS563200
U1069
C1880
L1147
L1110
C1829
C1747
C1764
L1080
L1056
L1055
Q1006
C1676
C1677
R1530
R1511
R1496
R1498
R2182
R2080
D1102
R1911
R1909
R1912
R1779
C1705
R1744
R1346
R1357
C1286
R1369
Q1031
C2138
D1103
TPS22975
U1080
C1807
R1997
C1813
R1998
C1765
R1993R1063
R1108
R1107
R1103
R1104
D1038
R1102
C1090
R1067
R1152
R1153
D1063
D1064
R1146
D1061
R1147
R1178
R1184
R1183
R1177
R2160
N1038
D1126
R1885
R1875
D1125
R1886
R1877
C2244
C2044
C2058
C2209
R2157
R2158
C1611
C2108
R1755
R2060
L1143
N1033
C1312
C1311
R1800
C1308
C1301
C2088
R1958
D1137
R1959
R1956
R1791
R1961
R1966
C1966
C1907
R1802
C2412
C2122
C2154
C2413
C2168
C2143
D1138
R2125
R2054
R2063
C2204
C2128
R2046
C2189
C2192
C1910
C2196
D1089
C1327
C1320
C1319
C1317
R1492
Q1042
Q1072
Q1073
R1748
R1741
R1742
C1336
X1003
12MHZ
R1621
R1624
R2188
R2187
R1597
C1606
C2073
R1906
R1339
C1872
R1356
R1657
Q2208
R2118
R1606
R1600
R1590
C1804
C1801
C1800
C1799
L1068
C1795
R1593
R1767
R1827
C1717
L1067
R2024
R2014
R1923
R1299
R2027
R1941
R1302
R1350
C1954
C1295
C1777
C1944
U1079
TPS22975
C2159
C1796
L1124
L1125
C1958
C1716
R1285
R1284
R1353
C1785
L1126
L1127
C1878
R1943
C1178
C1241
U1101
LM358PT
R1249
C1192
R1392
L1070
L1132
C1814
C1828
R1252
R1251
R1250
R1247
R1246
R1244
C1695
L1057
R2201
R2197
R2185
PTC1001
R2006
C1825
C1701
C1719
C1704
R2178
R2177
R2011
R2012
C1877
C1827
C1849
C1745
R1692
R1695
R1697
R1699
R1700
R1704
C1670
C1971
R1788
R2190
R2189
R2100
C1884
L1104
C1762
R2051
R1782
U1077
TPS22975
C1752
C1751
C1977
C2054
C2053
C1770
C1757
Q2212
C2164
R1807
Q1017
SSM6N15AFU-T
Q1055
R1754
R2035
R2030
Q2202
C1778
C1852
C1836
C1835
D1007
R1022
R1850
R1851
R1852
R1884
R1858
R1930
C1848
C1847
C1834
C1843
C1678
C1679
R1024R1026
R1028
D1004
C1309
C1300
R1805
D1106
C2132
R1790
R1518
R1524
Q1065
*
U1042
SN74AHCU04PWR
C2105
C1965
C1368
C1367
C1909
C1369
R1521
R1500
R1485
R2405
C2161
C2415
C2418
R2071
TLV75733PDBVR
U1050
U2404
AK5358BET
U2405
AK5358BET
C2416
C2421
R2409
R2410
C2150
C2187
C2183
AK4458
U1051
C2182
C2191
C2190
C2115
L1028
L1030
C1328
C1316
C1314
C1313
R1968
Q1075
Q1076
Q1041
R1502
R1504
U1033
R1503
R1490
C1358
C1357
C1905
N1021
R1841
N1035
R1629
R1820
R1732
R1839
R1743
R1475
R1439
R1437
C1337
R1651
R1607
C1682
R2103
24.576MHZ
X1010
R1905
PCM9211
U1040
C2064
R1904
C2063
N1019
R1367
D1088
D1087
L1018
D1085
N4700
C1204
C1198
C1203
R1663
R1616
R1605
R1604
R1598
R1599
R1615
Q2209
R2194
R2119
C1809
C1808
R2184
R2023
R2025
R1613
R1608
L1142
R1614
R1632
C1798
C1715
R1977
R1301
R2029
R1924
R1922
Q1022
Q1003
C1844
C1802
R2015
R2016
C1792
C1787
C1797
L1141
C1885
U1067
TPS563200
R1371
R1361
C1817
R2018
C1810
C1773
C1946
C1793
C1722
N1008
R2040
R2005
R1795
C1185
N1032
TPS2069CDGNR
U1010
L1015
R1213
L1014
C1763
C1922
C1189
C1181
C1855
Q1005
R1248
C1190
Q1009
L1061
C2107
L1060
L1059
R1738
R1086
C1686
R2202
R2207
C2238
R1809
R2205
R2204
R2200
R2176
BKT1004
BKT1002
C1901
Q1013
R1696
R1698
C1744
U1066
TPS563200
L1140
R2007
R1817
R1810
C1749
R1703
R1705
R1713
H
G
M
1 2
E
D
C
B
A
3 7 8 9
F
U1029
A3R12E40DBF-8E(512Mb)
C1619
R1715
R1716
C1672
C1665
C1645
C1968
C1161
R2149
R2084
R1170
X1001
27MHZ
L1105
TPS563200
U1064
R1895
EN25QH32B
U1048
R1637
R1638
C1575
C1574
C1924
C1975
R1639
R1686
C2163
R1391
R1390
R1381
R1380
L1109
RQ6C050BCTCR
Q1058
C1766
C1746
R1739
R1670
R1025
R2036
R1679
R1678
W25Q128JVFIQ
U1027
R1667
R1668
R1669
R1677
R1766
R1674
L1081
R1855
C1675
L1054
C2197
R1023D1005
Q1007
C1033
N1020
N1016
R1486
R1487
R1494
R1495
R1493
C2188
U1044
R1757
Q1053
C2072
R1913
C1711
Q1023
Q1018
Q1028
Q1030
R1778
C1288
R1347
R1345
C1951
C1948
N1001
R1045
R1040 D1014
R1044
R1041 D1015
R1038
D1013
R1039
D1012
R1042
R1043
R1785
R1783
C1070
C1784
R1395
R1394
C1201
R1393
C1202
C1012
N1004
R1061
R1062
R1080
C1077
X1000
27MHZ
C1078
R1066
U1063
TPS563200
D1039
D1040
R1101
D1037
R1105
R1106
N1005
R1148
R1149
D1062
R1150
R1151
TPS563200
U1065
TMDS261B
U1103
D1051R1123
D1052R1124
R1121
D1050
D1049
R1125
R1122
R1126
C1153
C1115
D1074
D1073
R1187
R1180
D1076
R1188
R1179 D1075
H
L
K
J
G
P
N
M
1 2
E
D
C
B
A
3 7 8 9
F
R
U1028
A3R12E40DBF-8E(512Mb)
C2103
C1170
C1783
R1874
D1122
R1876
D1123
R2227
R2155
R2154
R2152
R2153
R2147
R2148
Sil9437CNUC
U1009
R1879
R2156
R2163
C2214
C2247
R2059
D1134
N1030
R1673
R1672
R1671
C2104
C1680
N1014
T
R
N
M
L
K
J
H
G
E
D
C
B
A
2 3 5 6 7 84 9 10 13 14 1511 12
F
P
1 16
5M570ZF256C5N
U1041
U1008
U1007
AC
W
V
Y
R
N
P
T
U
K
J
L
H
E
D
F
G
A
2
4
3
1
5
8
9
7
11
10
18
17
21
23
22
19
20
AA
AB
M
B
C
6
U1026
ADV8003
R1676
R1454
C2089
C1727
Q1052
R1758
R1756
R1751
C1712
L1069
L1130
L1066
C2068
C2203
R1972
R1976
R2031
22.5792MHZ(OSC)
X1901
R2026
R1283
R1281
R1282
R1723
R1725
R1729
R1727
R1720
R1722
R1730
R1726
R1724
R1216
R1295
R1869
D1111
R1857
R1870
D1110
R1860
R1863
D1114
L1119
R1987
D1115
D1118
D1119
L1118
L1117
L1116
R1986 R1985
R1984
R1897
C2055
R1882
R1894
R1808
R1792
R1691
R1690
C1617
D1006
R1020
R1519
R1529
R1455
R1013
R1018
R1017
D1000
D1105
C2090
C1868
C1708
C1364
C1356
R1970
R1844
N1034
R1388
R1389
R1749
C1307
C1306
C1305
C1304
C1303
C1302
R1973
R1980
R2003
R1996
R1978
R1995
R1979
R2000
R2001
C2176
N1029
R2070
C2184
R2022
R2020
R2019
R1992
R1936
R1982
C2059
C2186
C2062
U1055
SN74LVC1G125DCKR
C1240
L1027
N1039
N1017
L1029
C2109
R1719
R1721
R1728
C1187
BKT1001
D1107
R1856
D1108
D1109
D1120
R1859
R1862
D1112
D1113
D1116
D1117
L1138
R2131
R1883
27MHZ
X1007
C2052
R1893
C1779
R1027
N1028
N1010
U1043
C2102
R1387
R1386
R5F564MJCDFC
U1018
C1908
C1915
U1078
TPS22975
X1008
24.576MHZ
CS49844A
U1073
R2058
R2072
R2069
R2082
R2085
C2180
C2185
U1054
PCM5100A
R2079 R2083
C2207
R2081
R2077
C2205
C2201
C2206
C2200
C1780
K1003
22.5792MHz(OSC)
X1002
N1002
N1003
R1129
R1127
L1139
BKT1003
U1000
MN864788
R1082
R1081
R1071
R1072
D1026
R1070
D1027
D1028
R1069
D1025
R1076
R1075
C1087
N1007
N1031
R1662
27MHZ
X1006
D1128
D1127 D1131
D1132
D1129
D1130
D1133
L1123 L1122 L1121 L1120
R1991 R1990 R1988 R1989
MN864788
U1039
R1760
R1681
R1746
R1747
R1680
N1000
R2002
R1999
R2013
R2010
R2017
R2021
R2038
R2034
R2047
R2044
R2062
C2137
C2146
C2151
C2157
C2162
C2171
N1006
U1003
MN864788
TU-LA
FL-
FL+
B/PIRIN_DE
ZONE_CL
RXD_MI232
REMOTE3.3V
TXD_MO232
DATA
CLK
C_PWR2
110
Z_MUTE
Z-DA
Z-CL
100
V-MUTE1
DAC_MS1
AP-DA
AP-CK
90
AP-CS
HSDA
HSCL
TU_INT
TU_CK
PWR
NET3.3V
D5V
80
30
35
25
2
HAINT0
70
AVSCL
AVSDA
RST
5
40
10
15
20
10
S2
HINT
HAINT1
60
AP_CK
20
L
L
5
20
30
40
ADC_RST2
DIR_CE
O1
30
35
DIR_DOUT
DIR_DIN
40
15
37
DATAC
Z
Z2
5
10
40
1:THERMALDETB
2:THERMALDETA
3:ASODET
4:DCDET4
5:DCDET3
70
60
40
50
DAC_DATA
AUDIO1
80
90
20
DSP1OUTFS
DATAST
SBCK
DSP1_SPI_SS
100
10
DSP1INMCK
DSP1IN64FS
DSP1INF/FL
DSP1INCSW/C
DACFS
110
120 130
140
DSP1INSB/SR
DSP1IN_/FR
DSP1IN_/SW
NET_I2S0_DIN
NET_I2S_MCKOUT
RXDTXD
S1_SD0
TXFS
TXI2S0
BCLKOUT
NET_I2S0
NET TDM FS_1
NET_TDM_DOUT
CK
IN1
DOUT
DIN
IN1
IN1
B
TDO
GPIO2
NET5V_POWER
IN2
DA
NET3.3V
TDI
GND
B
+5V
ARC_INT
VBUS
FLAG
H5V_DET
RXF_5V
CK
IN3
DA
60
70
50
40
80 90
20
100
10
D
DA
IN4
HSCL
110
130
D
IN4
HPD
S1_RST
HSDA
J
CK
DA
IN5
E
45
35
40
HPD
60
55
20
25
E
5
15
IN6
CK
IN6
DA
F
F
S2
HINT
70
60
50
HAINT1
40
CEC_POWER
G
DA
IN7
80
30
CK
IN7
IN7+5V
HPD
90
20
CEC3.3V
100
10
G
DV3.3V
DV1.8V
HSCL
RST
130
DA
DDCSDA
H
M
MISO_SF
INT0
DA
CK
HPD
I
ADV8003_RST
ADV8003_INT2
GUI
WRITE
CS_SF
INT1
SCK_SF
MOSI_SF
+5V
140
HSCL
110
M
10
100
SPI_EN_P
AVSDA
DV1.8V
30
80
DV_PWR2
HPD8
I
40
50
60
70
Z
120
TU_DA
AP_DA
DIR_CLK
DAC_MUTE
Z2
Z2
PLDADCLBCK
Z2 DAC_BLCK
DSP_BUSY
DATASB
DSP1INFS
NET_I2S0_DOUT
TX64FS
BCK1
+5V
DA-PWR
IN2
CK
IN2
C
IN3
IN4
CK
125
140
J
IN5
IN5
IN6+5V
IN
ICT
IN7
ADJ FI
110
CK
TOP FACE TOUCH AREA
ADV8003_SPI_MI
NET_I2S_LRCKOUT
21
MUTE
V-DATA
V-CLK
MUTE
31
5. Wireless_R
4. DAGND
3. Wireless_L
2. DAGND
1. SL/SR_VDCOM
9. SW_VDCOM
8. DAGND
7. Wireless_SW
COAX_IN
SW1_HINT
PWR
50
TU_RST
DM_DAC_BCK
DM_DAC_BCK
DAC_MS1
OPT1
NET_FACT_RST
30
DATAC
DATAS
PLDAERR
DAC_LRCK
Z2
DIRAMCKI
MCLK1
DIRABCKI
DIR1PERR
SLRCK
DIRALRCKI
FSDIR1
64FSDIR1
DIRADATAI
256FSDIR1
DAC256FS
DAC64FS
DACFS
DACDATAF
DACDATAC
DACDATASB
DZM
30
6:THERMALDETE
DSP_ROM_WRITE
DA1.0V
DSP1INS/SL
DATAFT
S1_SD1
BCKIN
LRCKIN
I2S2
DIN1
DA
IN2
HPD
HPD
IN1
ARC_RST
C
PWR
D5V_PWR
TMS
USB
PWR_EN
LEGO5V
IN3_HPD
IN3+5V
30
SW_SCL
IN5+5V
IN6
HPD
50
SW_SDA
CEC
HPD
+5V
HSDA
H
DV_POWER1
DDCSCL
MI
SPI
SPI
LEGOHS
LEGOPCK
7028-08418-101-0
DIGITAL PCB [MP]
LEGOVS
20
CEC1.1V
TX-RST
90
HSDA
TX_HINT
AVSCL
SPI MO
RXF_DDCCL
3:DGND
2:DGND
1:MAIN_PWR
6:RESETOUT
RXF_5V
Z_DA
6. DAGND
27
CEC_PWR2
ADV8003_SPI_MO
ADV8003_SPI_CLK
OPT2
DSP1FLAG0
DATADIR1
PLDADCDATA
PLDADCMCK
PLDADCLRCK
DSP1FLAG3
DATAF
DAC_MCLK
DACDATAS
DSP1OUT64FS
25
IN1
SW1_HINT
NET3.3V
IN2 IN4
IN4
+5V
IN5 IN6
OP
LEGODE
CS
OUT2
RXF_DDCDA
Pb
CEC3.3V
5:D5.2V
4:D5.2V
ADV8003_SPI_CS
ORANGE
PRE_Z2_MUTE
WLS2_ADC_DATA
WLS2_ADC_LRCK
ADC_RST2
WLS1_ADC_BCK
WLS1_ADC_MCK
WLS1_ADC_LRCK
WLS1_ADC_DATA
DM_DAC_LRCK
DM_DAC_DATA
WLS2_ADC_BCK
JTAG_TCK
TOP FACE TOUCH AREA
TX_XTALP
TX_XTALN
COAX
WLS2_ADC_MCK
IN3
Antenna
Cable
IN7 OUT1
U1018
U1041
U1026
N1033
N1008
U1079
U1067
U1010
U1080
U1008
U1073
DSP1INF/FL
J4504
J4565
G4402
CN4402
CP4406
C4471
Pb
USB B'D(MP)
7020-08412-000-0S
GND
+D ATA
VBUS
-D ATA
GND
CP4406
CN4402
Before Servicing
This Unit
Electrical Mechanical Repair Information Updating
85

Table of Contents

Related product manuals