EasyManua.ls Logo

Denon DRA-565RD - DRA-365 RD Circuit Schematic

Denon DRA-565RD
32 pages
Print Icon
To Previous Page IconTo Previous Page
To Previous Page IconTo Previous Page
Loading...
LexONYG
/
96L00-ON3G
'
CN27A
by
Pere
A)
4
Gia:
eis
TR473
28C17
408
(&)
92
C8A4.00MG
180
1032
0482
1ss252
i
280667,
(Cc)
(esr)
PA337,
AQ)
OVP
/Y)
naa
by
1K
0.022
4
(Ne)
C325
C344
A375
0.0018
6.8K
4
2806674
(Cc)
1B
/F)
aie
0.22
(40)
X2
Cag
4.7/63
*P
TR326
2801641
(&/F)
Rais
0406
100
(NB)
199262
C342
A376
0.0018
8.8K
VA303
(2/2)
C344
A378
300
A380
47K
R382
4.7K
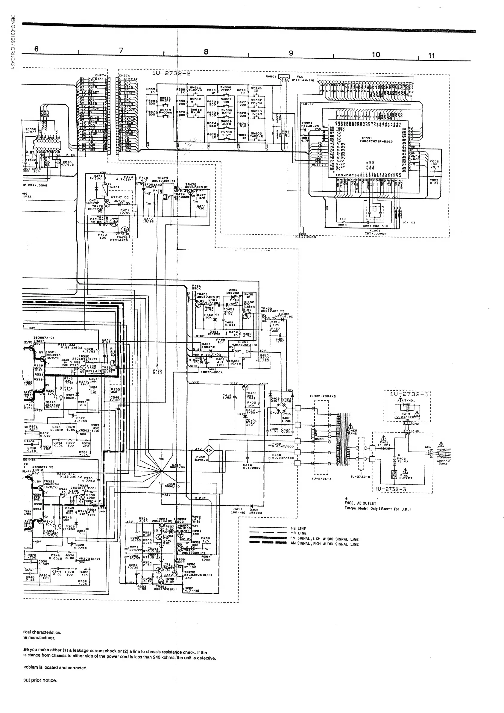
tical
characteristics.
18
manufacturer.
|
dre
you
make
either
(1)
a
leakage
current
check
or
(2)
a
line
to
chassis
resistance
check.
If
the
»slstance
from
chassis
to
either
side
of
the
power
cord
Is
less
than
240
kohms,
the
unit
Is
defective.
»roblem
Is
located
and
corrected.
out
prior
notice.
SEY
S77)
RP
AGEN
RE
PEER
DD
See
a
ee:
AB
LINE
———
nee
amen
6
=
B
LINE
SRRtesEEES
FM
SIGNAL,
LCH
AUDIO
SIGNAL
LINE
AM
SIGNAL,
RCH
AUDIO
SIGNAL
LINE
1cso1
Se
ov
TMP87CM7
{F-81928
36
X
77
5.2V
78
oy
eee
ee
ata
e
i2
a468700615414445448
7833
MW
10K
X32
C651
CGO
.012
xL601
CST4.00MGH
=
ct
oe
Late
AN
ee
ey
Se
41SA35~-200Ax6
1U-2732-5:
'
weed
1U-2731-4
Pe
:
F402,
AC
OUTLET
Europe
Model
Only
(Except
For
U.K.)

Other manuals for Denon DRA-565RD

Related product manuals