EasyManua.ls Logo

Denon S-101 - Schematic Diagrams - Amplifier Unit (Part 1)

Denon S-101
139 pages
Print Icon
To Next Page IconTo Next Page
To Next Page IconTo Next Page
To Previous Page IconTo Previous Page
To Previous Page IconTo Previous Page
Loading...
SIGNAL LINE
1234567891011
A
B
C
D
E
F
G
H
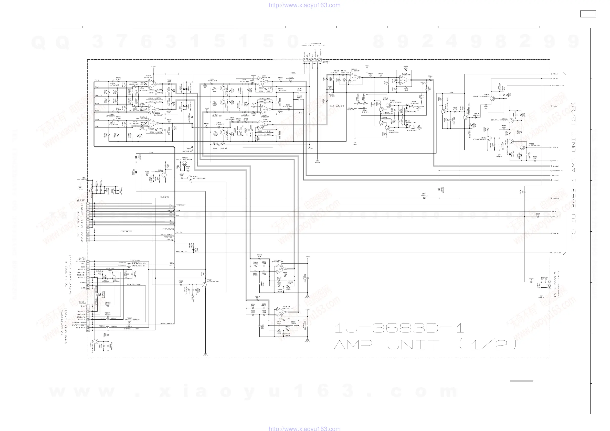
SCHEMATIC DIAGRAMS (17/26)
S-101
123
SCHEMATIC DIAGRAMS (17/26)
1U-3683D-1 AMP UNIT (1/2)
w
w
w
.
x
i
a
o
y
u
1
6
3
.
c
o
m
Q
Q
3
7
6
3
1
5
1
5
0
9
9
2
8
9
4
2
9
8
T
E
L
1
3
9
4
2
2
9
6
5
1
3
9
9
2
8
9
4
2
9
8
0
5
1
5
1
3
6
7
3
Q
Q
TEL 13942296513 QQ 376315150 892498299
TEL 13942296513 QQ 376315150 892498299
http://www.xiaoyu163.com
http://www.xiaoyu163.com

Other manuals for Denon S-101

Related product manuals