EasyManua.ls Logo

Denon S-101 - PWM Controller TAS5066; Functional Block Diagram; Pin Functions

Denon S-101
139 pages
Print Icon
To Next Page IconTo Next Page
To Next Page IconTo Next Page
To Previous Page IconTo Previous Page
To Previous Page IconTo Previous Page
Loading...
22
S-101
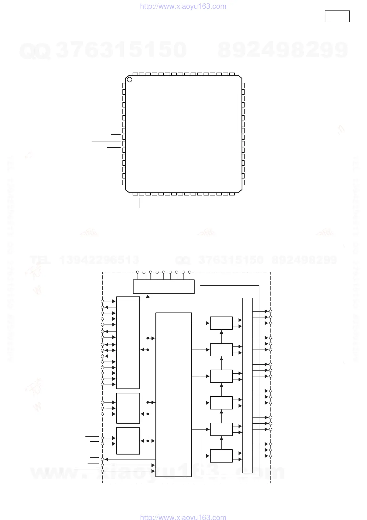
TAS5066 (IC805: 1U-3683)
17
DVDD_RCL
DVSS_RCL
NC
DVDD_PWM
DVSS_PWM
PWM_AP_4
PWM_AM_4
VALID_4
PWM_AP_5
PWM_AM_5
VALID_5
PWM_AP_6
PWM_AM_6
VALID_6
NC
NC
48
47
46
45
44
43
42
41
40
39
38
37
36
35
34
33
1
2
3
4
5
6
7
8
9
10
11
12
13
14
15
16
NC
MCLK_IN
AVDD_PLL
PLL_FLT_OUT
PLL_FLT_RET
AVSS_PLL
NC
DVSS1
RST
ERR_RCVRY
MUTE
PDN
SDA
SCL
CS0
DVSS1
18 19 21 22 23 24 25 26 27 28 29 30 31 32
64 63 62 61 60 59 58 57 56 55 54 53 52 51 50 49
DBSPD
CLIP
SDIN1
SDIN2
SDIN3
MCLK_OUT
SCLK
LRCLK
DVDD
DVSS1
NC
DEM_SEL2
DEM_SEL1
M_S
DVSS1
DVSS1
AVDD_OSC
XTL_IN
XTL_OUT
AVSS_OSC
DVSS
PWM_AP_1
PWM_AM_1
VALID_1
PWM_AP_2
PWM_AM_2
VALID_2
PWM_AP_3
PWM_AM_3
VALID_3
NC
NC
20
1.2 Functional Block Diagram
PWM Ch.
Output Control
AVDD_PLL
AVSS_PLL
VREGA_CAP
VREGB_CAP
VREGC_CAP
DVDD_RCL
DVSS_RCL
DVDD_PWM
DVSS_PWM
Power Supply
PLL_FLT_OUT
PLL_FLT_RET
SCLK
LRCLK
MCLKOUT
SDIN1
SDIN2
SDIN3
MCLK_IN
XTAL_OUT
XTAL_IN
DBSPD
SDA
SCL
CSO
PWM_AP_1
VALID_1
PWM_AP_2
VALID_2
PWM AP_3
VALID_3
PWM_AP_4
VALID_4
PWM_AP_5
VALID_5
PWM_AP_6
VALID_6
PWM AM_3
PWM_AM_1
PWM_AM_2
PWM_AM_4
PWM_AM_5
PWM_AM_6
Clock,
PLL
and
Serial
Data
I/F
PDN
RESET
MUTE
CLIP
ERR_RCVRY
Serial
Control
I/F
Reset,
Pwr Dwn
and
Status
Auto Mute
De-Emphasis
Soft Volume
Error Recovery
Soft Mute
Clip Detect
Signal
Processing
PWM
Section
PWM Ch.
PWM Ch.
PWM Ch.
PWM Ch.
PWM Ch.
M_S
DM_SEL1
DM_SEL2
w
w
w
.
x
i
a
o
y
u
1
6
3
.
c
o
m
Q
Q
3
7
6
3
1
5
1
5
0
9
9
2
8
9
4
2
9
8
T
E
L
1
3
9
4
2
2
9
6
5
1
3
9
9
2
8
9
4
2
9
8
0
5
1
5
1
3
6
7
3
Q
Q
TEL 13942296513 QQ 376315150 892498299
TEL 13942296513 QQ 376315150 892498299
http://www.xiaoyu163.com
http://www.xiaoyu163.com

Other manuals for Denon S-101

Related product manuals