EasyManua.ls Logo

Denon S-52 DAB - Page 98

Denon S-52 DAB
102 pages
Print Icon
To Next Page IconTo Next Page
To Next Page IconTo Next Page
To Previous Page IconTo Previous Page
To Previous Page IconTo Previous Page
Loading...
SIGNAL LINE
SIGNAL LINE
HD Analog
ETHERNET/Wifi/USB
DAB
CD
iPod
TUNER
Portable In
D
B
C
D
87654321
A
B
C
D
E
F
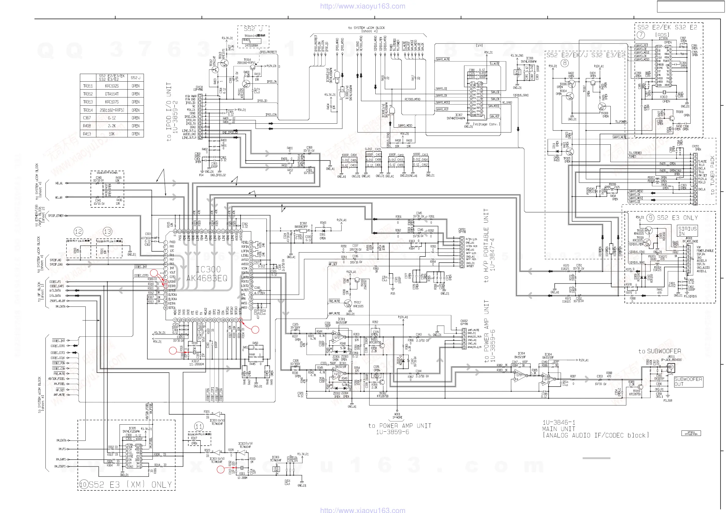
SCHEMATIC DIAGRAMS (3/7)
S-52 / S-52DAB / S-32
SCHEMATIC DIAGRAMS (3/7)
1U-3846-1 MAIN UNIT(3/4)
ANALOG AUDIO IF/CODEC block
Note :
[Sheet 1] : SCHEMATIC DIAGRAMS (1/7), 1U-3846 MAIN UNIT - BF block
[Sheet 2] : SCHEMATIC DIAGRAMS (2/7), 1U-3846 MAIN UNIT - ETHER/USB/WiFi block
[Sheet 3] : SCHEMATIC DIAGRAMS (3/7), 1U-3846 MAIN UNIT - ANALOG AUDIO IF/CODEC block
[Sheet 4] : SCHEMATIC DIAGRAMS (4/7), 1U-3846 MAIN UNIT - SYSTEM uCOM block
s
w
w
w
.
x
i
a
o
y
u
1
6
3
.
c
o
m
Q
Q
3
7
6
3
1
5
1
5
0
9
9
2
8
9
4
2
9
8
T
E
L
1
3
9
4
2
2
9
6
5
1
3
9
9
2
8
9
4
2
9
8
0
5
1
5
1
3
6
7
3
Q
Q
TEL 13942296513 QQ 376315150 892498299
TEL 13942296513 QQ 376315150 892498299
http://www.xiaoyu163.com
http://www.xiaoyu163.com

Table of Contents

Related product manuals