EasyManua.ls Logo

Denyo DCA-30ESX - Maintenance Schedule

Denyo DCA-30ESX
79 pages
Print Icon
To Next Page IconTo Next Page
To Next Page IconTo Next Page
To Previous Page IconTo Previous Page
To Previous Page IconTo Previous Page
Loading...
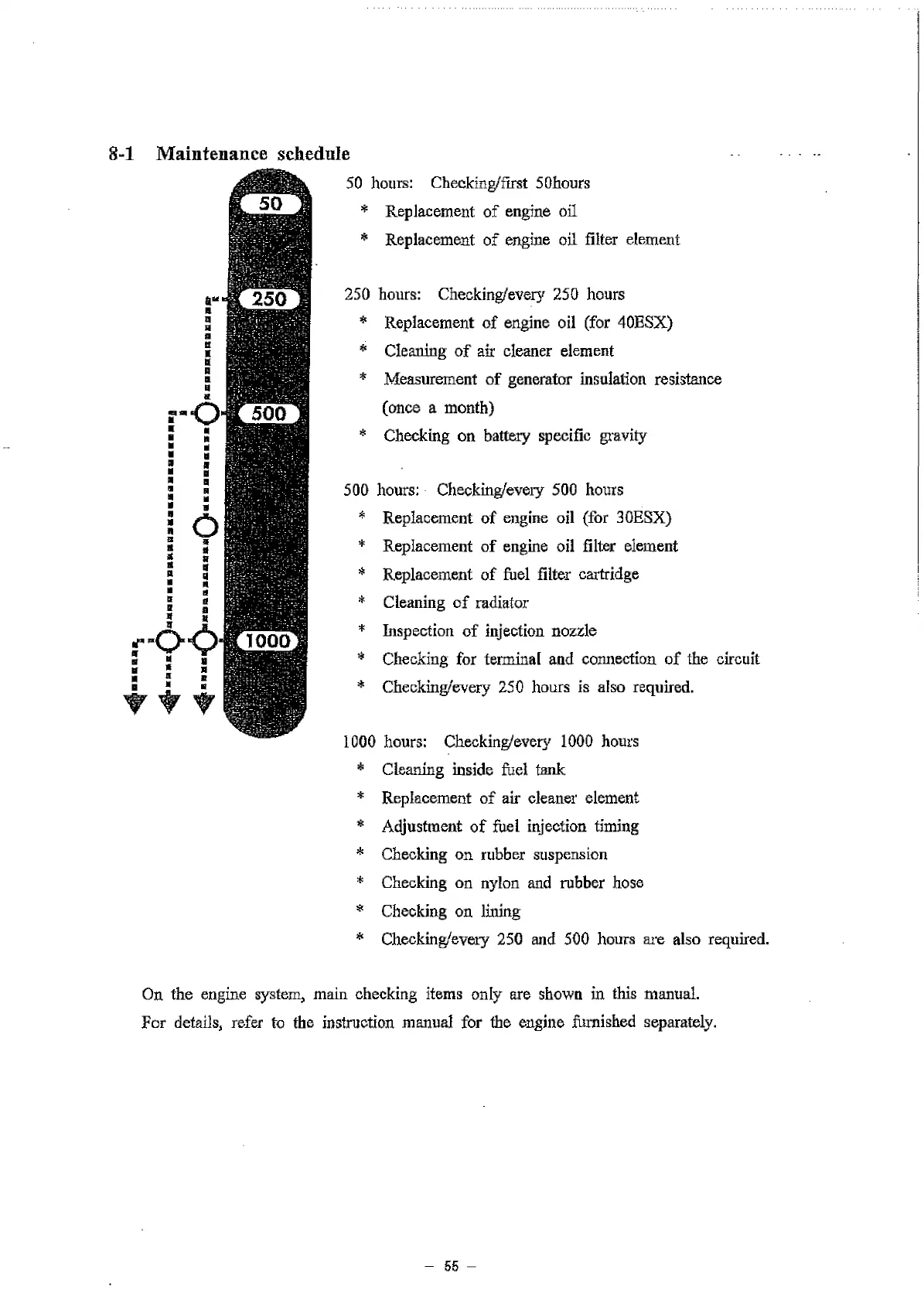
8-1 Maintenance schedule
» a
3 »
3 «
3
5 a
3 *
3
3 a
5 0
3 я
<BEE>
50 hours: Checking/first 50hours
* Replacement of engine oil
* Replacement of engine oil filter element
250 hours: Checking/every 250 hours
* Replacement of engine oil (for 40ESX)
* Cleaning of air cleaner element
* Measurement of generator insulation resistance
(once a month)
* Checking on battery specific gravity
500 hours; Checking/every 500 hours
* Replacement of engine oil (for 30ESX)
* Replacement of engine oil filter element
* Replacement of fiiel filter cartridge
* Cleaning of radiator
* Inspection of injection nozzle
* Checking for terminal and connection of the circuit
* Checking/every 250 hours is also required.
1000 hours: Checking/every 1000 hours
* Cleaning inside fuel tank
* Replacement of air cleaner element
* Adjustment of fuel injection timing
* Checking on rubber suspension
* Checking on nylon and rubber hose
* Checking on lining
* Checking/every 250 and 500 hours are also required.
On the engine system, main checking items only are shown in this manual.
For details, refer to the instruction manual for the engine furnished separately.
- 55 -

Related product manuals