EasyManua.ls Logo

Denyo DCA-30ESX - Page 75

Denyo DCA-30ESX
79 pages
Print Icon
To Next Page IconTo Next Page
To Next Page IconTo Next Page
To Previous Page IconTo Previous Page
To Previous Page IconTo Previous Page
Loading...
то
STARTED ШГС К
АСС
a 1. a i з
$
1 i i (
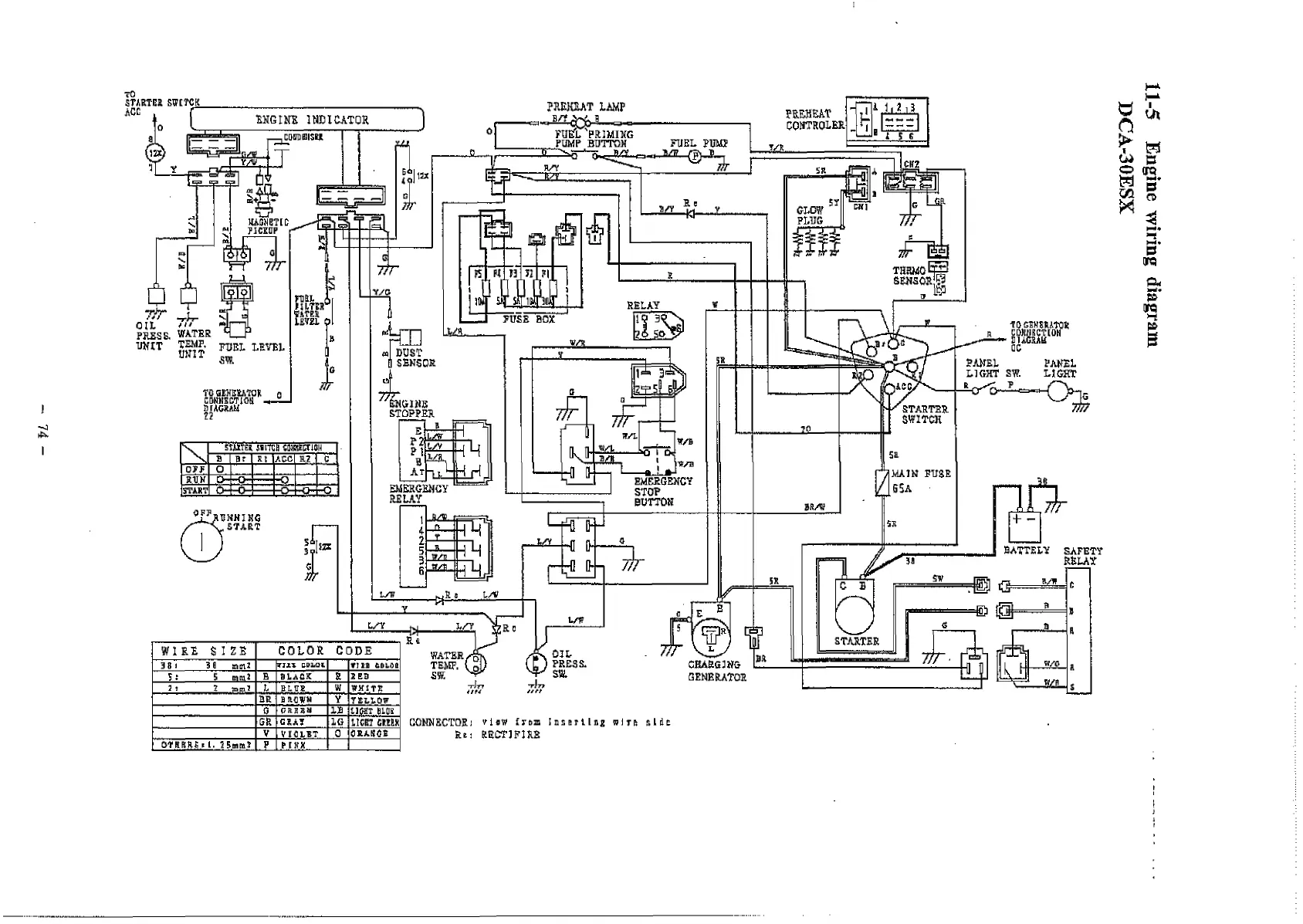
V!1 Е Ь SIZE C O LO R C OD E
Э 8 i 3 С ttitnl
ITJ« CDLOl
visa totoa
S: S mml
В
SLACK
R
BED
1 1 2 a p l
L BLUE w
WtfiTE
BR BHQWtJ
Y
YBLLOW
G
CRESM
LS ll ь т
Gfc силу
LG
licet a m
V
V 10LIT 0
ORAHCfi
O T ttm n 1. 2&mml
P P IHX
GOHNECTORj view £гош I n s B rll i j я!тб slit
fet: SECT]PUS
11-5 Engine wiring diagram
DCA-30ESX

Related product manuals