EasyManua.ls Logo

Denyo DCA-30ESX - Page 76

Denyo DCA-30ESX
79 pages
Print Icon
To Next Page IconTo Next Page
To Next Page IconTo Next Page
To Previous Page IconTo Previous Page
To Previous Page IconTo Previous Page
Loading...
то
STARTER srncu
ACC
04
I
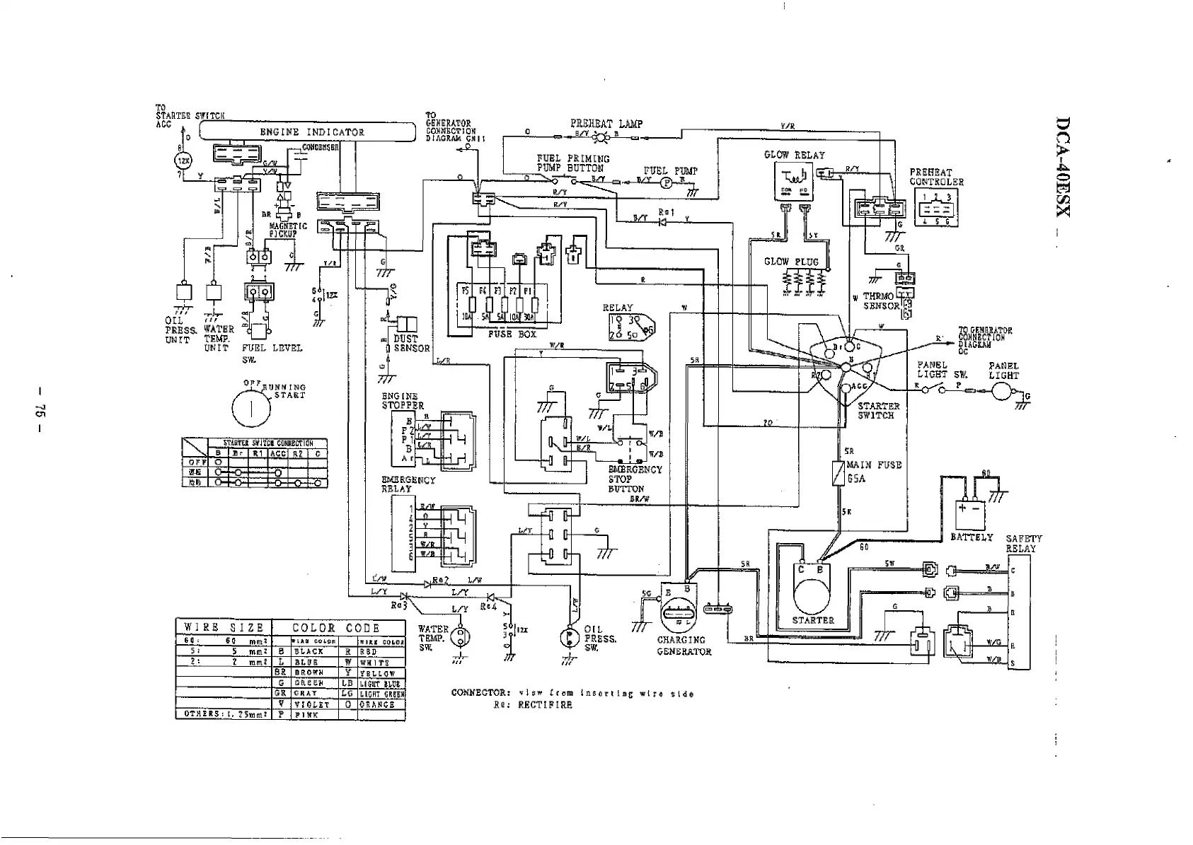
WIRE SIZE
COLOR CODE
6 0 = 6 Q mrrt!
ШL ЛИ COltm
fflttl COLdi
5* 5 mm! 0
BLACK
R RED
1 * 1 mm? L b li/ e
ff WHl ТЕ
BR D EtOff N
V
VBLLOW
G c n e e *
LB
LIGHT t
GR CHAT
LG
LIGHT СШ Н
V
VIOLET 0
CHANCE
OTH ERS: i, 7 5 и т г
? PltfK
0
rfT fl-
ъ
»
A
I U
v c
У!
V /B
CONNECTOR: view {com Inserting wire side
RS; RECTIFIES
i
DCA-40ESX

Related product manuals