EasyManua.ls Logo

Det-Tronics UD20 - Page 8

Det-Tronics UD20
21 pages
Print Icon
To Next Page IconTo Next Page
To Next Page IconTo Next Page
To Previous Page IconTo Previous Page
To Previous Page IconTo Previous Page
Loading...
4.1 95-86206
B2688
24 VDC
24 VDC
24 VDC +
24 VDC +
CALIBRATE
+ 4-20 MA
– 4-20 MA
1
2
3
4
5
6
7
PIRECL
POINTWATCH ECLIPSE
NOTE 1 JUNCTION BOXES MUST BE ELECTRICALLY CONNECTED TO EARTH GROUND.
NOTE 2 THE TOTAL LOOP RESISTANCE = 250 OHMS MINIMUM, 440 OHMS MAXIMUM.
UD20
DISPLAY UNIT
SENSOR +
POWER +
SENSOR –
POWER –
SHIELD
SHIELD
J2-6
J2-5
J2-4
J2-3
J2-2
J2-1
V +
V –
SIGNAL
250Ω
3 WATT
ANALOG INPUT / POWER
Figure 5—PIRECL Detector Wired to UD20 (Non-Isolated 4-20 mA Output, Sinking, 4-Wire)
+
24 VDC
UD20 DISPLAY UNIT
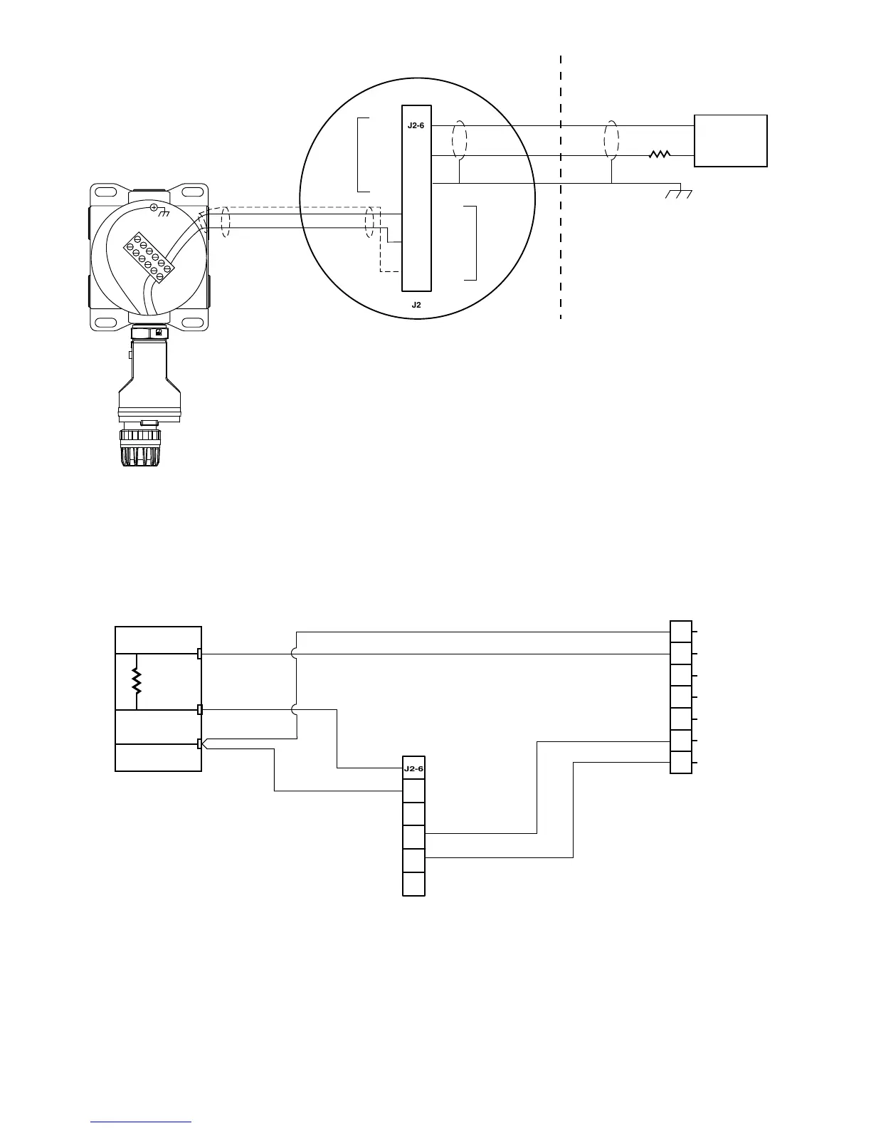
B2483
J2-6
J2-5
J2-4
J2-3
J2-2
J2-1
J2
NOTE 1 GROUND THE SHIELD AT THE POWER SOURCE END ONLY.
NOTE 2 250 OHM, 3 WATT RESISTOR REQUIRED (INCLUDED).
NOTE 3 EXTERNAL HART COMMUNICATION DEVICES CAN BE CONNECTED ACROSS
THE 250 OHM RESISTOR, ACROSS J2-5 AND J2-6, OR ACROSS J2-2 AND J2-3.
NOTE 4 JUNCTION BOXES MUST BE ELECTRICALLY CONNECTED TO EARTH GROUND.
BLACK
RED
SEE NOTE 1
SEE NOTES 2 AND 3
SEE NOTE 1
GT3000
GAS DETECTOR
SENSOR TERMINATION BOX
RED
RED
BLACK
BLACK
GREEN
+
+
SHIELD
SHIELD
SENSOR
LOOP
POWER
LOOP
HAZARDOUS LOCATION NON-HAZARDOUS LOCATION
Figure 4Basic Wiring for Explosion Proof UD20 and GT3000 with Terminal Box

Related product manuals