EasyManua.ls Logo

DEVI DEVIreg 850 - Page 14

DEVI DEVIreg 850
40 pages
Print Icon
To Next Page IconTo Next Page
To Next Page IconTo Next Page
To Previous Page IconTo Previous Page
To Previous Page IconTo Previous Page
Loading...
14
Installer Manual
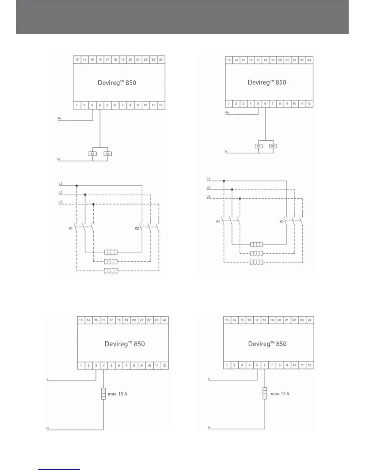
%71IBTF-PBETSystem A
400 V cables
&71IBTF-PBETSystem B
400 V cables
F - Direct connection - System A
230 V cables
G - Direct connection - System B
230 V cables

Other manuals for DEVI DEVIreg 850

Related product manuals