EasyManua.ls Logo

DeVilbiss 525KS - Pneumatic and Wiring Diagrams

DeVilbiss 525KS
44 pages
Print Icon
To Next Page IconTo Next Page
To Next Page IconTo Next Page
To Previous Page IconTo Previous Page
To Previous Page IconTo Previous Page
Loading...
LT-2023
37
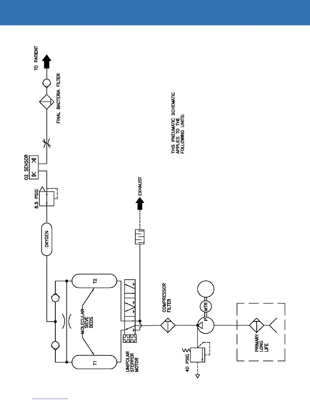
Figure 17 - Pneumatic Diagram
FIGURES, DIAGRAMS, AND VIEWS
525DS & 525KS

Other manuals for DeVilbiss 525KS

Related product manuals