EasyManua.ls Logo

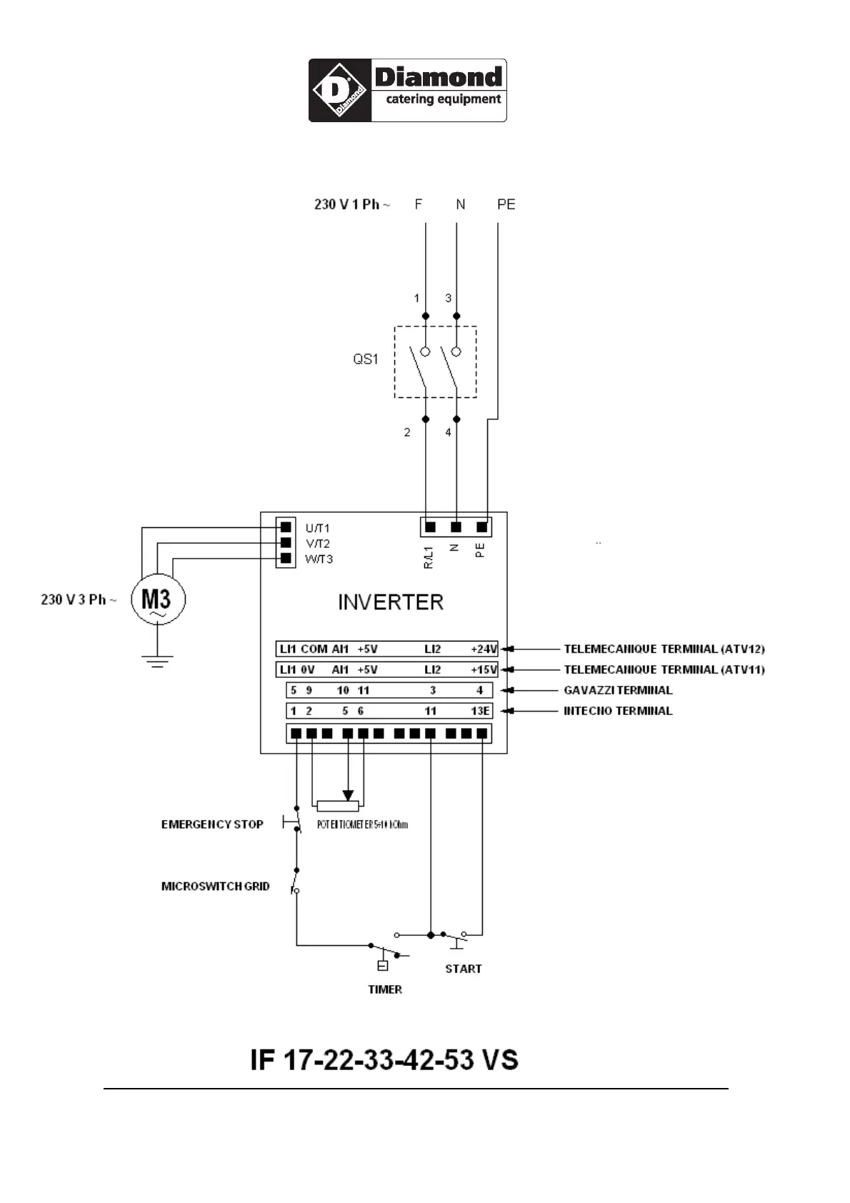
Diamond VS - Electrical System Diagram

Diamond VS
41 pages
Print Icon
To Next Page IconTo Next Page
To Next Page IconTo Next Page
To Previous Page IconTo Previous Page
To Previous Page IconTo Previous Page
Loading...

9 ELECTRICAL SYSTEM

Related product manuals