EasyManua.ls Logo

Dieci Agri Farmer - Hydraulic Plant Diagrams and Key

Dieci Agri Farmer
272 pages
Print Icon
To Next Page IconTo Next Page
To Next Page IconTo Next Page
To Previous Page IconTo Previous Page
To Previous Page IconTo Previous Page
Loading...
F/4
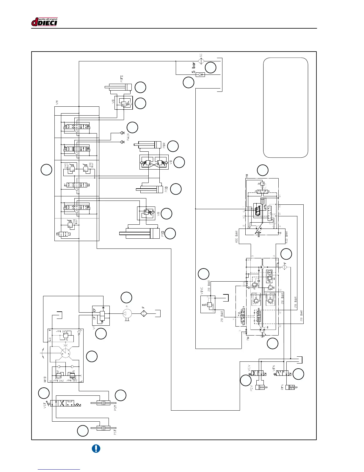
Hydraulic Diagrams and Circuits
Mod. Agri Farmer
- ATTENTION: - Read the SAFETY REGULATIONS (contained in this manual) carefully for the safety of all personnel and your vehicle.
H
B
4
3
2
1
5
13
12
14
15
17
18
19
16
21
20
8
10
9
7
6
11
AGRI FARMER
IM03_IMachine plant
AGRI FARMER with ON_OFF
Walvoil-type

Table of Contents