EasyManua.ls Logo

DIMOEL DKC500DC - Outras Ligaçãos

DIMOEL DKC500DC
Print Icon
To Next Page IconTo Next Page
To Next Page IconTo Next Page
To Previous Page IconTo Previous Page
To Previous Page IconTo Previous Page
Loading...
20
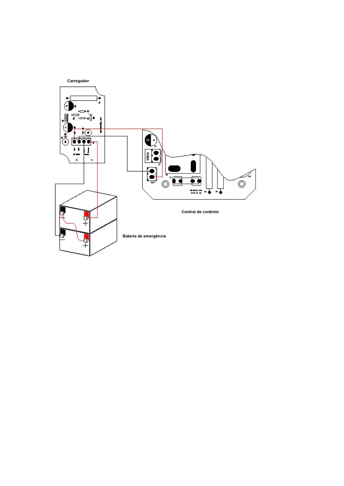
3.3.9 Outras ligaçãos:
Ligação de uma bateria de emergência (opcional, não incluído
no kit):
Ligação de painel solar (opcional, não incluido no kit):

Related product manuals