EasyManua.ls Logo

Dimplex ASCARI MA12 - Direct Room Thermostat Connections and Direct Cylinder Thermostat

Dimplex ASCARI MA12
40 pages
Print Icon
To Next Page IconTo Next Page
To Next Page IconTo Next Page
To Previous Page IconTo Previous Page
To Previous Page IconTo Previous Page
Loading...
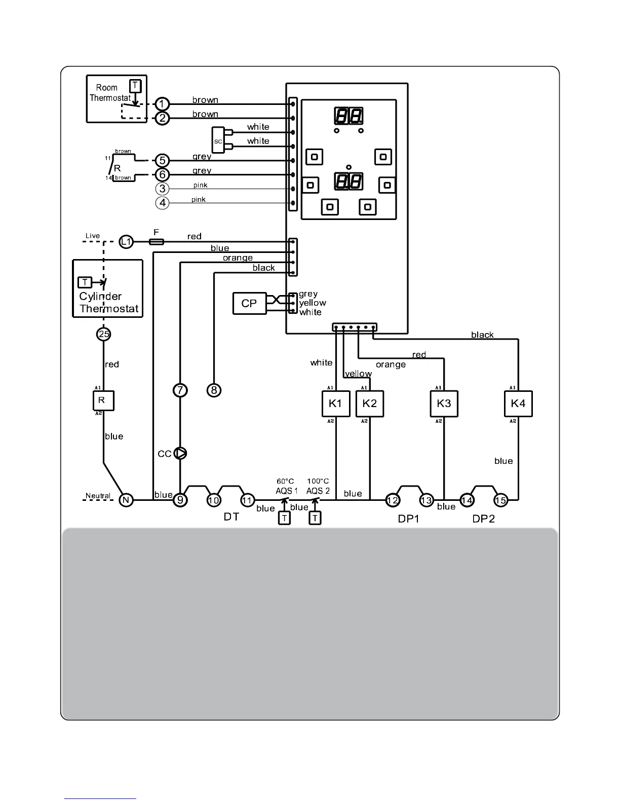
Ascari MA12 -p. 25 -
2.16.2 - Direct room thermostat connections
and direct cylinder thermostat
L1 : Live
N : Neutral
F : 4A fuse size 5 x 20
C1 : Electronic card with display
CC : 3 speed pump
SC : Boiler's sensor
AQS1 : 60°C safety limitator with
manual reset
AQS2 : 100°C safety limitator with
manual reset
K1 to K4 : 20A power breakers
DT : Total cut-out (remove the
bridge)
DP1 & DP2 : Partial cut-out (remove the
bridge)
R : External command relay
Room thermostat : Direct room thermostat no-
volt normally open contacts
Cylinder thermostat : External command from
direct cylinder thermostat
(normally open contact
240V)
Decoding :