EasyManua.ls Logo

Dimplex Evolve 50 - Page 24

Dimplex Evolve 50
26 pages
Print Icon
To Next Page IconTo Next Page
To Next Page IconTo Next Page
To Previous Page IconTo Previous Page
To Previous Page IconTo Previous Page
Loading...
24 www.dimplex.com
500002608 Evolve 74
500002563 Evolve 100
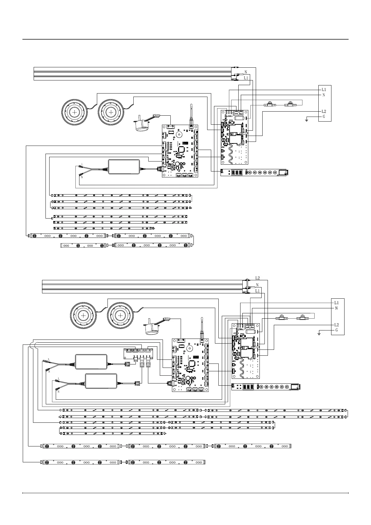
Wiring Diagrams

Related product manuals